
Номер позиції |
Найменування |
Каталоговий номер |
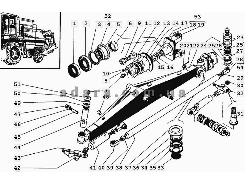
| 4 | Манжета | 1.2-75х100-1 |
| 7 | Масленка | 1.2.Ц6хр |
| 46 | Шайба | 12Т.65Г.019 |
| 43 | Шпонка | 12х8х11 |
| 25 | Кільце | 1С47 |
| 21 | Шплінт | 6,3х63.019 |
| 1 | Підшипник | 7610 |
| 2 | Підшипник | 7613 |
| 10 | Шайба | 8Т.65Г.019 |
| 41 | Гідроциліндр або РСМ-12.09.02.010 | ГЦ50.200.16.000-01 |
| 47 | Гайка | М10-6Н.6.019 |
| 23 | Гайка | М20х1,5-6Н.04.019 |
| 29 | Гайка | М22х1,5-6Н.04.019 |
| 39 | Гайка | М22х1,5-6Н.04.019 |
| 20 | Гайка | М30х2-6Н.6.019 |
| 8 | Болт | М8х6gх20.35.88.019 |
| 9 | Гайка | Н130.02.604 |
| 13 | Прокладка | РСМ-10.02.02.001 |
| 26 | Кільце | РСМ-10.02.02.007А |
| 12 | Ковпак ступиці | РСМ-10.02.02.009А |
| 48 | Заглушка | РСМ-10.02.02.011 |
| 19 | Втулка | РСМ-10.02.02.012А |
| 35 | Шайба підшипника | РСМ-10.02.02.013 |
| 22 | Балка моста | РСМ-10.02.02.020А |
| 52 | Сальник з обоймою і манжетою (1,2-75х100-1) ступиці колеса | РСМ-10.02.02.130 |
| 51 | Кришка | РСМ-10.02.02.140А |
| 54 | Шарнір гідроциліндра повороту і поперечної тяги | РСМ-10.02.02.170А |
| Шарнір поперечної тяги | РСМ-10.02.02.170А-01 | |
| 53 | Кулак поворотний лівий | РСМ-10.02.02.190 |
| Кулак поворотний правий | РСМ-10.02.02.190-01 | |
| 14 | Ступиця | РСМ-10.02.02.204В |
| 38 | Труба | РСМ-10.02.02.210А |
| 34 | Обойма підшипника | РСМ-10.02.02.408 |
| 37 | Ковпак | РСМ-10.02.02.409А |
| 33 | Заглушка | РСМ-10.02.02.411 |
| 49 | Шайба | РСМ-10.02.02.413А |
| 50 | Шайба | РСМ-10.02.02.414А |
| 36 | Шайба опорна | РСМ-10.02.02.415 |
| 16 | Шайба | РСМ-10.02.02.417 |
| 3 | Кільце упорне | РСМ-10.02.02.425 |
| 5 | Обойма | РСМ-10.02.02.426 |
| 6 | Кільце сальника | РСМ-10.02.02.605А |
| 11 | Болт колеса | РСМ-10.02.02.616 |
| 32 | Важіль | РСМ-10.02.02.631А |
| 42 | Важіль | РСМ-10.02.02.631А-01 |
| 17 | Втулка | РСМ-10.02.02.632Б |
| 31 | Вісь | РСМ-10.02.02.633А |
| 15 | Гайка | РСМ-10.02.02.634А |
| 45 | Клин шкворня | РСМ-10.02.02.635А |
| 28 | Корпус шарніра | РСМ-10.02.02.638А |
| 40 | Корпус шарніра | РСМ-10.02.02.638А-01 |
| 18 | Кулак поворотний | РСМ-10.02.02.646 |
| 18 | Кулак поворотний | РСМ-10.02.02.646-01 |
| 44 | Шкворень | РСМ-10.02.02.805А |
| 30 | Втулка | РСМ-10.02.02.806А |
| 41 | Гідроциліндр або ГЦ50.200.16.000-01 | РСМ-12.09.02.010 |
| 22 | Балка моста | РСМ-8.02.02.204А |
| 38 | Труба | РСМ-8.02.02.210А |
| 24 | Шайба | С20х5.01.019 |
| 27 | Підшипник або ШСП-30 | ШС-30 |
| 27 | Підшипник або ШС-30 | ШСП-30 |



