
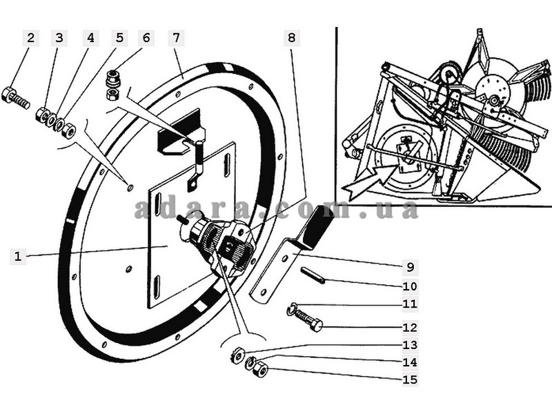
Номер позиції |
Найменування |
Каталоговий номер |
| 5 | Шайба | 10Т.65Г.019 |
| 14 | Шайба | 12Т.65Г.019 |
| 11 | Шайба | 16Т.65Г.019 |
| 10 | Шпонка | 2-8х7х56 |
| 13 | Шайба | 20012 |
| 7 | Фланець правої боковини | 3518050-12730 |
| 1 | Плита права | 3518050-12740 |
| 9 | Рукоятка або РСМ-10.08.01.485 | 3518050-15239 |
| 8 | Втулка або РСМ-10.08.01.105 | 54-10172 |
| 2 | Болт | М10-6gх35.88.35.019 |
| 3 | Гайка | М10-6Н.6.019 |
| 15 | Гайка | М12-6Н.6.019 |
| 12 | Болт | М16-6gх25.88.35.019 |
| 8 | Втулка або 54-10172 | РСМ-10.08.01.105 |
| 9 | Рукоятка або 3518050-15239 | РСМ-10.08.01.485 |
| 4 | Шайба | С10.01.019 |
| 6 | Шайба | С12-2.0.01.019 |



