
Номер позиції |
Найменування |
Каталоговий номер |
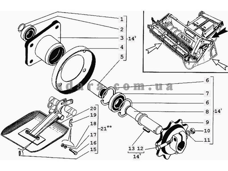
| 17 | Шайба | 10Т.65Г.019 |
| 11 | Шайба | 12Т.65Г.019 |
| 2 | Підшипник або 180206К10С27 | 180206АС17 |
| 2 | Підшипник або 180206АС17 | 180206К10С27 |
| 7 | Підшипник або 180207К10С27 | 180207АС17 |
| 7 | Підшипник або 180207АС17 | 180207К10С27 |
| 13 | Шпонка | 2-10х8х40 |
| 21 | Черевик жатки | 3518050-121030 |
| 3 | Корпус | 3518060-12019А |
| 20 | Черевик | 3518060-13720 |
| 4 | Фланець | 3518060-14245 |
| 8 | Вал | 3518060-16268А |
| 9 | Зірочка z-19 t-25,4 | 3518060-16269 |
| 5 | Втулка | 3518060-18098А |
| 14 | Контрпривід | 3518060-18710 |
| 19 | Вушко | 40112 |
| 15 | Шплінт | 6,3х45.019 |
| 18 | Гайка | М10.6.019 |
| 16 | Болт | М10х30 |
| 12 | Болт | М12.6gх65.88.35.019 |
| 10 | Гайка | М12.6Н.6.019 |
| 1 | Кільце ГОСТ 13942-86 | С30 |
| 6 | Кільце | С72 |



