Диск зчеплення Т-40 муфти ВОМ
-
420.00 грн.
Мінімальне замовлення – 300 грн. При замовленні по телефону, для швидкої відповіді, дуже просимо вказувати інформацію з поля «Каталожний номер».
Відгуків немає | Написати відгукКупити диск зчеплення Т25-1601160-В2 ВВП ведений Т-40
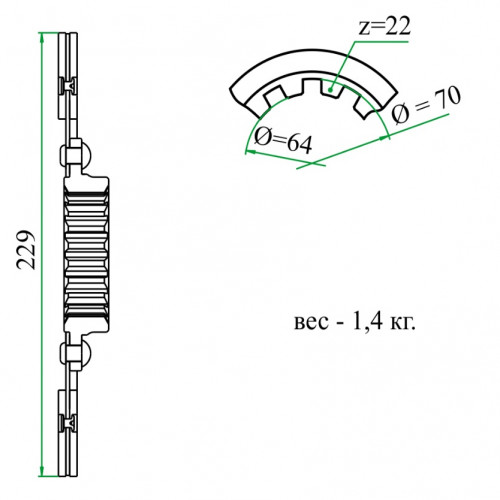
Диск зчеплення муфти ВВП Т25-1601160-В2 (жорсткий) це конструкція, що складається з маточини з внутрішнім шліцьовим отвором, диска, 2-х фрикційних накладок (поз.40) і заклепок (поз.69). Конструкція жорстка, так як до маточини приклепується диск, а до нього - накладки з безасбестового матеріалу. Диск ведений (поз.13) безперервно притискають до диску ведучому (поз.45) диском натискним (поз.45) натискними пружинами. Відбувається передача потужності від двигуна на зовнішнє обладнання. Диск складається з центральної металевої, шліцьової маточини, за допомогою якої він одягається на вал зчеплення, і фрикційної частини. Встановлюється в механізмі вала відбору потужності і служить для включення або виключення цього механізму, зношується як і будь-яка фрикційна деталь досить часто і підлягає заміні. При тиску на педаль ВВП диски розходяться - потужність не передається. Входить до складу кошика зчеплення Т25-1601050 трактора Т-40. Для надійної та безперебійної роботи диск повинен бути чистим і сухим. Накладки стираються досить швидко, і диск з накладками підлягає заміні. Є в наявність диски двох різних виробників: кооперативного і заводу «Тара», ціна на них відрізняється, уточнюйте у менеджера.
Характеристика диска зчеплення муфти ВОМ Т-40 |
|
| Каталоговий номер | Т25-1601160-В2 |
| Застосування | трактора Т-40 і його модифікацій |
| Двигун | Д-144 |
| Конструктивна відмінність | жорсткий |
| Стан | новий |
| Інші характеристики | вала відбору потужності, фрикційний, безазбестовий, феродо, сухого тертя, з двома накладками |
| Вага, кг | 2,8 кг |
| Рекомендуємо купувати | з диском зчеплення головною муфти Т25-1601130-В. |
.
- Встановлюється в кількості - 1 шт.
- Країна виробництва - Україна


Муфта зчеплення головна з муфтою ВВП Т25-1601010-Г1
2) - Болт регулювальний Т25-1601009-А1 4) - Муфта зчеплення Т25-1601050-Б1 6) - Диск натискний муфти ВВП Т25-1601110-В 12) - Диск головною муфти Т25-1601130-В 13) - Диск Т25-1601160-В2 18) - Палець Д30-1005317-А1 28) - Диск натискний головною муфти Т25-1601093-Б1 29) - Важіль віджимний головної муфти Т25-1601094-В1 30) - Сухар важеля Т25-1601095-А 31) - Вісь віджимного важеля головної муфти Т25-1601096-Б1 32) - Пружина віджимного важеля Т25-1601097-Б3 33) - Болт регулювальний Т25-1601098-Г1 34) - Гайка Т25-1601105 35) - Диск натискний муфти ВВП Т25-1601111-А1 36) - Упор натискного болта Т25-1601112-В1 37) - Прокладка пружини Т25-1601114 38) - Стакан пружини Т25-1601116-Б 39) - Накладка зчеплення Т25-1601138-Б2 40) - Накладка Т25-1601165-В 45) - Диск ведучий муфти ВВП Т25-1601222-Г 46) - Важіль віджимний муфти ВВП Т25-1601224-В 47) - Болт натискний Т25-1601225-В1 62) - Пружина натискна Т25-1601415-Б2 64) - Штіфт Т30-3405047 67) - Гайка шестигранна ГПШМ-10х1 69) - Заклепка 2.4Х8 74) - Болт М10-6gХ30.88.35.019 92) - Шайба 10 ОТ 65Г 94) - Шайба 14 ОТ 65Г 99) - Шплінт 2Х20.019 100) - Шплінт 3,2Х18.019
Відгуків немає







