МКШ Шумахер Дон-1500, John Deer та ін.
-
19800.00 грн.
Мінімальне замовлення – 300 грн. При замовленні по телефону, для швидкої відповіді, дуже просимо вказувати інформацію з поля «Каталожний номер».
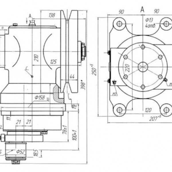
Відгуків немає | Написати відгукРаніше, при використанні на ДОН-1500, цей механіз називався механізм качаючої шайби (МКШ), зараз він називається - Механізм приводу ножа вертикальний типу Шумахер (Shumaher), свого роду це той же косогон, і призначений для забезпечення зворотно поступального руху коси, за рахунок ексцентричного валу.
Шків D-210 мм., профіль ременя - Ст.
Відстань між кріпленнями 220х120 мм.
Цей привід універсальний і застосовується не тільки на донах, але і на:
Палессе, РСМ-081, ЖВН, жниварки JOHN GREAVES (ЖНС), Flex, Fantini та інших жниварках. Кожен виробник призначає цьому механізму свій каталожний номер і виходить сильна плутанина. Наведемо перелік номерів, якими позначають один і той же привід.
МПН 85.20ПБ.000.01.20А
КЗР-14
85MVvGKF
GE85V
DE19785
29.32.70
60540092
КЗР 1517000
081.27.00.090
ППН 01.000
AH156339
01-0172
14811.01
DE19409
МППН-2.00.000
25277
Відгуків немає








