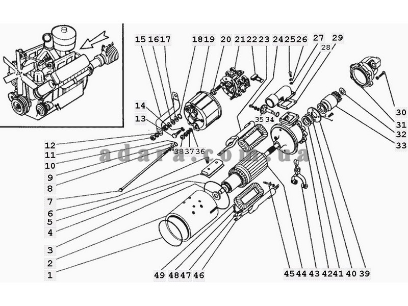
Номер позиции |
Наименование |
Каталожный номер |
34 | Кольцо | 16,3708406 |
22 | Щетка стартера | 25.01.3708050 |
28 | Кожух привода | 25,3708001 |
29 | Прокладка | 25,3708002 |
47 | Пластина | 25,3708004 |
17 | Шайба | 25,3708005 |
36 | Шайба | 25,3708005 |
46 | Катушка | 25.3708150-001 |
44 | Якорь | 25.3708200-001 |
19 | Крышка коллектора | 25,37083 |
21 | Траверса | 25,370832 |
32 | Шайба упорная | 25,3708403 |
30 | Винт | 25,3708404 |
31 | Крышка привода | 25,370841 |
43 | Рычаг | 25,370845 |
39 | Шайба привода | 25,3708501 |
40 | Шайба | 25,3708503 |
42 | Корпус привода | 25,370851 |
33 | Привод | 25,37086 |
24 | Винт | 45.9432.1109 |
14 | Шайба | 4598168046 |
12 | Шайба | 7Х-4289 |
27 | Шайба | 8Х-1497 |
38 | Гайка | 8Х-1533 |
41 | Сальник | М672615030 |
13 | Болт | М8х1х20 |
8 | Шайба | МХ-0142 |
16 | Шайба | МХ-0276 |
37 | Шайба | МХ-0276 |
25 | Винт | МХ-0905 |
9 | Шайба | МХ-0954 |
45 | Шайба | МХ-1032 |
3 | Шайба | МХ-1087 |
49 | Болт | МХ-1104 |
7 | Шпилька | СТ103-3708003 |
15 | Шина | СТ103-3708030 |
5 | Полюс | СТ103-3708102 |
23 | Катушка | СТ103-3708150 |
18 | Кольцо | СТ103-3708339 |
10 | Шайба | СТ103А-3708045 |
4 | Кольцо уплотнительное | СТ103А-3708046 |
20 | Втулка | СТ103А-3708309 |
1 | Кольцо уплотнительное | СТ103А-3708338 |
35 | Ось | СТ142-3708070 |
2 | Корпус стартера | СТ25-3708101 |
48 | Шайба | Х-1482 |
26 | Шайба | Х-400 |
11 | Гайка | Х2-9302 |
6 | Винт | ХI-11-58 |