Каталог деталей ЯМЗ-238АК - установки шкива Дон-1500Б

Каталог деталей ЯМЗ-238АК - установки шкива Дон-1500Б

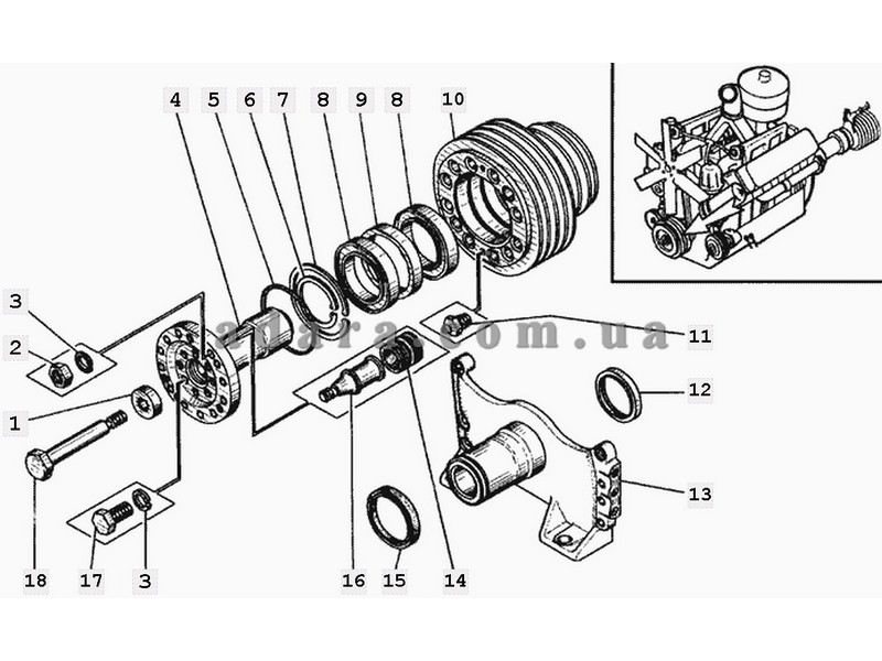
Номер позиции

Наименование

Каталожный номер

14 Втулка 10Б.03.00.011А
15 Палец 10Б.03.00.604
8 Подшипник или 60120 160119
11 Масленка 19853 1,2
17 Болт М10х1,5 201493-П29
5 Кольцо уплотнительное 236-1005023
13 Опора переднего привода 238АК-1002205
12 Манжета уплотнительная 238АК-1002209
9 Втулка 238АК-1005057
10 Шкив коленчатого вала 238АК-1005061
18 Болт М24х2 238АК-1005062
1 Шайба 24 238АК-1005066
4 Водило 238АК-1005067-20
6 Кольцо В100 238АК-1005089
7 Кольцо 238АК-1005090
8 Подшипник 60120
3 Шайба 6402 10.65Г
16 Манжета 740,100516
2 Гайка М10

 

+38(095)-031-99-21
Telegram
Viber