
Номер позиции |
Наименование |
Каталожный номер |
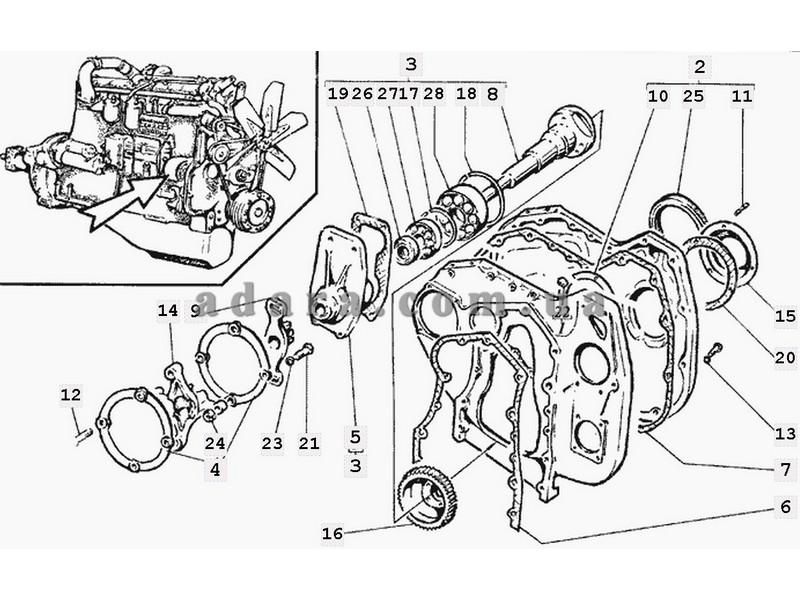
| 5 | Корпус привода топливного насоса | 01-0203 |
| 6 | Прокладка картера | 01-0204 |
| 20 | Прокладка | 01-0232 |
| 23 | Шайба | 01М-0253 |
| 8 | Валик привода топливного насоса | 03А-0206А |
| 9 | Фланец | 03А-0207-02 |
| 12 | Болт | 03А-0210 |
| 14 | Крестовина | 03А-0219В |
| 17 | Кольцо стопорное | 03А-0225 |
| 18 | Кольцо стопорное | 03А-0227 |
| 21 | Болт | 03А-0235 |
| 4 | Пластины | 03А-02с10 |
| 3 | Привод топливного насоса | 03А-02с4В |
| 26 | Манжета | 1.2-25х42-1,8752 |
| 24 | Гайка М10х1 | 16-245 |
| 25 | Манжета | 2.2-75х100-1,8752 |
| 27 | Подшипник | 205,8338 |
| 28 | Подшипник | 209,8338 |
| 11 | Шпилька | 41-0209 |
| 16 | Колесо зубчатое | 41-0223 |
| 19 | Прокладка | 41-0230 |
| 22 | Пробка коническая | 41-0237 |
| 1 | Картер шестерен | 41-02с2-3 |
| 2 | Крышка картера шестерен | 41-02с3 |
| 15 | Крышка | 42-0222-01 |
| 10 | Кольцо маслоотражателя | 6Т2-0208 |
| 13 | Шайба | 6Т2-0219 |
| 7 | Прокладка крышки | 6Т3-0205 |



