
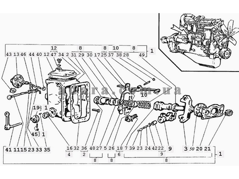
Номер позиции |
Наименование |
Каталожный номер |
| 14 | Штифт | 17-002 |
| 15 | Сальник | 17-004 |
| 16 | Кольцо сальника | 17-008 |
| 17 | Болт вилки | 17-013 |
| 18 | Пружина кронштейна | 17-016Б |
| 19 | Шайба упора | 17-020-2 |
| 20 | Гнездо шарикоподшипника | 17-036-1 |
| 21 | Колесо зубчатое | 17-037-1А |
| 22 | Втулка груза | 17-043-2Б |
| 23 | Шайба | 17-044А |
| 24 | Ось груза | 17-045-3 |
| 25 | Прокладка | 17-047-1 |
| 26 | Прокладка регулировочная | 17-047А |
| 27 | Пружина регулятора внутренняя | 17-048-1А |
| 28 | Пружина регулятора наружная | 17-049А |
| 29 | Прокладка регулировочная | 17-050 |
| 30 | Прокладка регулировочная | 17-050А |
| 31 | Седло пружины | 17-052-2А |
| 32 | Прокладка | 17-057 |
| 33 | Пружина валика обогатителя | 17-062 |
| 34 | Прокладка | 17-067 |
| 35 | Штифт цилиндрический | 17-069А |
| 36 | Упор | 17-074 |
| 37 | Ось вилки | 17-075-1А |
| 38 | Шайба | 17-080 |
| 39 | Кольцо стопорное | 17-099 |
| 11 | Валик обогатителя | 17с14-2 |
| 4 | Сальник регулятора | 17с4 |
| 5 | Вилка регулятора | 17с5-1 |
| 6 | Втулка | 17с6-1Б |
| 7 | Муфта регулятора | 17с8-2А |
| 47 | Подшипник | 200,8338 |
| 48 | Подшипник | 303К2.8338 |
| 43 | Втулка направляющая | 440-17109 |
| 44 | Тяга пластинчатая | 440-17110 |
| 10 | Тяга регулятора | 440-17с13 |
| 2 | Корпус регулятора | 440-17с2 |
| 13 | Корректор пневматический | 440-29с1 |
| 45 | Шпилька - ограничительная | 442-17119 |
| 40 | Валик с рычагом | 444-17018 |
| 42 | Призма | 444-1763 |
| 1 | Регулятор | 444-17с1-15 |
| 9 | Груз регулятора | 444-17с11-15 |
| 8 | Валик регулятора | 444-17с9-15 |
| 12 | Крышка регулятора верхняя | 445-17с 15 |
| 41 | Шайба | 463-17044-1 |
| 3 | Валик регулятора с крестовиной | 463-17с3 |
| 49 | Подшипник | 8202,7872 |
| 46 | Кольцо уплотнительное | СМД2-2622 |



