
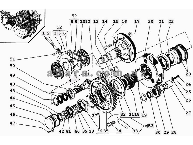
Номер позиции |
Наименование |
Каталожный номер |
| 14 | Кольцо | 034-040-36-2-2 |
| 23 | Манжета | 1.2-160х190-1 |
| 49 | Манжета | 1.2-55х80-1 |
| 25 | Шайба | 10Т.65Г.019 |
| 44 | Кольцо | 120-126-36-2-2 |
| 12 | Подшипник | 12507КМ |
| 36 | Подшипник | 215 |
| 8 | Шарик | 22,225-100 |
| 32 | Кольцо ГОСТ 13940-86 | 2С145 |
| 3 | Шплинт | 3,2х18.019 |
| 45 | Стакан | 3518020-40195 |
| 4 | Диск | 3518020-41128 |
| 33 | Планка | 3518020-44087 |
| 41 | Шайба | 3518020-44213 |
| 42 | Шайба замочная | 3518020-44214 |
| 48 | Кольцо | 3518020-44304 |
| 28 | Шайба | 3518020-45074 |
| 10 | Накладка | 3518020-45860 |
| Болт колеса правый М24х2-6g | 3518020-46237 | |
| 17 | Гайка колеса левая | 3518020-46331 |
| 15 | Болт колеса левый М24-2LН-6g | 3518020-46332 |
| 1 | Тяга | 3518020-46367 |
| 7 | Пружина | 3518020-46465 |
| 50 | Подшипник | 42211КМ |
| 51 | Ось | 6-1д11х32.35.Ц9хр |
| 30 | Подшипник | 664713Е |
| 40 | Подшипник | 7513К |
| 21 | Подшипник | 7519 |
| Гайка колеса правая | 75Ш-16066 | |
| 37 | Кольцо ГОСТ 13943-86 | А130 |
| 24 | Болт | М10х25.58.019 |
| 34 | Болт | М12х30.109.40Х.019 |
| 43 | Гайка | М56х2-6Н.05.019 |
| 47 | Винт | М8-6gх12.48.016 |
| 9 | Гайка | М8.6Н.6.019 |
| 52 | Диск нажимной тормоза | МК-23М.03.030А |
| 20 | Водило | МК-23М.03.160 |
| 16 | Ось колеса | МК-23М.03.170А |
| 53 | Колесо зубчатое z=75, m=5 | МК-23М.03.210 |
| 2 | Вилка | МК-23М.03.306 |
| 5 | Тяга | МК-23М.03.407 |
| 46 | Стопор | МК-23М.03.424 |
| 26 | Шайба | МК-23М.03.425 |
| 38 | Шайба | МК-23М.03.429 |
| 22 | Втулка | МК-23М.03.603 |
| 6 | Палец | МК-23М.03.616 |
| 18 | Шестерня солнечная z=27, m-5 | МК-23М.03.646 |
| 31 | Муфта соединительная | МК-23М.03.647 |
| 27 | Ось сателлита | МК-23М.03.648 |
| 29 | Сателлит | МК-23М.03.649 |
| 35 | Колесо зубчатое z=75, m-5 | МК-23М.03.651 |
| 11 | Вал-шестерня | МК-23М.03.655А |
| 13 | Пробка | МК-23М.03.659 |
| 19 | Втулка | МК-23М.03.806 |
| 39 | Кольцо ГОСТ 13943-86 | С75 |



