
Номер позиции |
Наименование |
Каталожный номер |
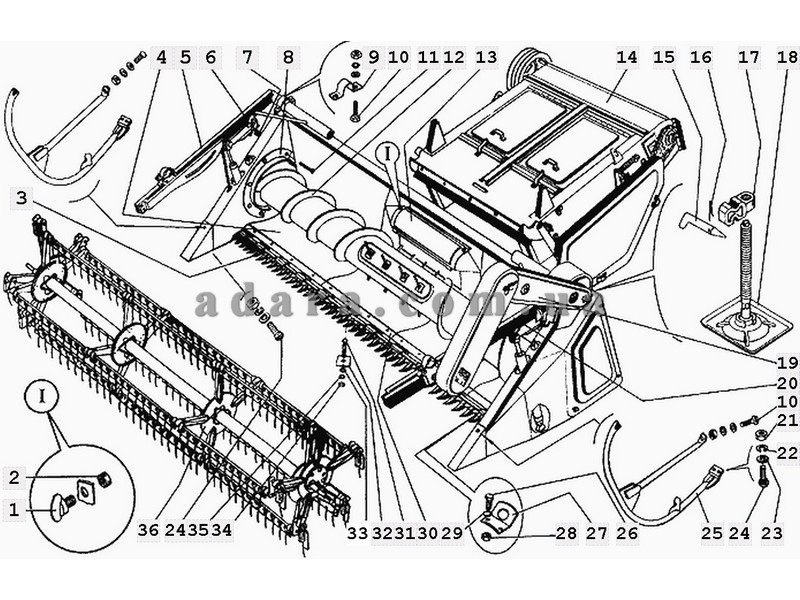
| 22 | Шайба | 10Т.65Г.019 |
| 29 | Шайба | 16Т.65Г.019 |
| 16 | Шплинт пружинный | 2.3,6х50.019 |
| 19 | Привод мотовила | 3518050-10140 |
| 25 | Делитель | 3518050-10550А |
| 12 | Шнек жатки или 3518050-121360-02 | 3518050-11010-02 |
| 12 | Шнек жатки или 3518050-121360-03 | 3518050-11010-03 |
| 12 | Шнек жатки или 3518050-121360-08 | 3518050-11010-08 |
| 36 | Мотовило | 3518050-11800-02 |
| 36 | Мотовило | 3518050-11800-03 |
| 36 | Мотовило | 3518050-11900 |
| 17 | Гайка или РСМ-10.08.01.201 | 3518050-12004А |
| 20 | Поддержка мотовила левая | 3518050-12080 |
| 5 | Поддержка мотовила правая | 3518050-12090 |
| 3 | Аппарат режущий | 3518050-121000-09 |
| 3 | Аппарат режущий | 3518050-121000-10 |
| 3 | Аппарат режущий | 3518050-121000-11 |
| 27 | Ушко с прокладкой | 3518050-121070 |
| 12 | Шнек жатки или 3518050-11010-02 | 3518050-121360-02 |
| 12 | Шнек жатки или 3518050-11010-03 | 3518050-121360-03 |
| 12 | Шнек жатки или 3518050-11010-08 | 3518050-121360-08 |
| 13 | Крышка | 3518050-12140 |
| 4 | Жатка с проставкой | 3518050-12400-01 |
| 4 | Жатка с проставкой | 3518050-12400-02 |
| 4 | Жатка с проставкой | 3518050-12400-03 |
| 18 | Опора жатки | 3518050-12860А |
| 8 | Кожух защитный | 3518050-14211А-01 |
| 30 | Козырек крайний | 3518050-14225 |
| 30 | Козырек средний | 3518050-14226 |
| 27 | Ушко | 3518050-15087 |
| 32 | Прокладка или РСМ-10.27.01.502 | 3518050-15256 |
| 9 | Хомут | 3518050-15347 |
| 14 | Камера наклонная | 3518050-18010 |
| 13 | Крышка | 3518060-12140А |
| 4 | Жатка с проставкой | 3518060-12400-01 |
| 4 | Жатка с проставкой | 3518060-12400-02 |
| 4 | Жатка с проставкой | 3518060-12400-03 |
| 14 | Камера наклонная | 3518060-18010А |
| 2 | Втулка | 44-00241 |
| 1 | Винт | 44-1-2-16-2 |
| 15 | Фиксатор | 55-61325 |
| 6 | Шайба | 6.65Г.019 |
| 35 | Шайба | 8Т.65Г.019 |
| 10 | Болт | М10-6gх30.88.35.019 |
| 21 | Гайка | М10.6Н.6.019 |
| 24 | Болт | М10х30 |
| 28 | Гайка | М16.6Н.6.019 |
| 26 | Болт | М16х35 |
| 26 | Болт | М16х45 |
| 11 | Болт | М6-6gх16.88.35.019 |
| 7 | Гайка | М6-7Н.019 |
| 34 | Гайка | М8.6Н.6.019 |
| 31 | Болт | М8х20 |
| 17 | Гайка | РСМ-10.08.01.201 |
| 32 | Прокладка или 3518050-15256 | РСМ-10.27.01.502 |
| 23 | Шайба | С10.01.019 |
| 33 | Шайба | С8х1,4.01.019 |



