
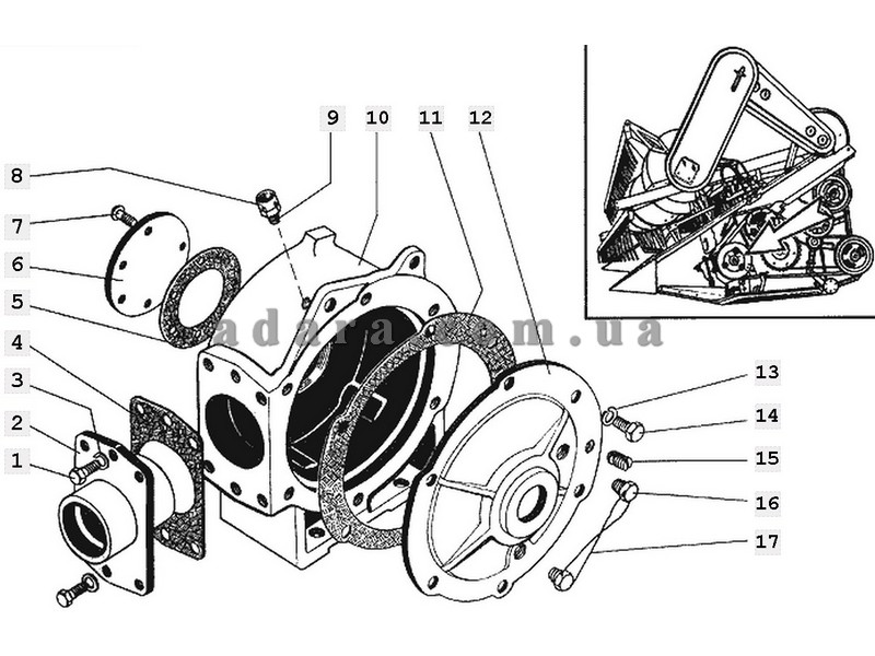
Номер позиции |
Наименование |
Каталожный номер |
| 13 | Шайба | 10Т.65Г.019 |
| 3 | Шайба | 12Т.65Г.019 |
| 8 | Сапун | 34-4-1-17А |
| 5 | Прокладка | 3518050-10073 |
| 11 | Прокладка | 3518050-10074 |
| 4 | Прокладка | 3518050-10122 |
| 12 | Крышка | 3518050-11062А |
| 10 | Корпус | 3518050-12052А |
| 2 | Опора с подшипником или 3518050-12460-01 | 3518050-12460 |
| 2 | Опора с подшипником или 3518050-12460 | 3518050-12460-01 |
| 6 | Крышка | 3518050-14952 |
| 9 | Корпус сапуна | 3518050-16436 |
| 14 | Болт | 3М10х6g.30.88.35.019 |
| 7 | Винт | В.М8-6gх16.48/019 |
| 16 | Пробка | КГ3/8"А12Ц9Хр |
| 1 | Болт | М12-6gх35.66.019 |
| 15 | Штифт | РСМ-10.27.01.616 |
| 17 | Проволока 2,0-0-4 L-310 мм | РСМ-10.27.01.618 |



