
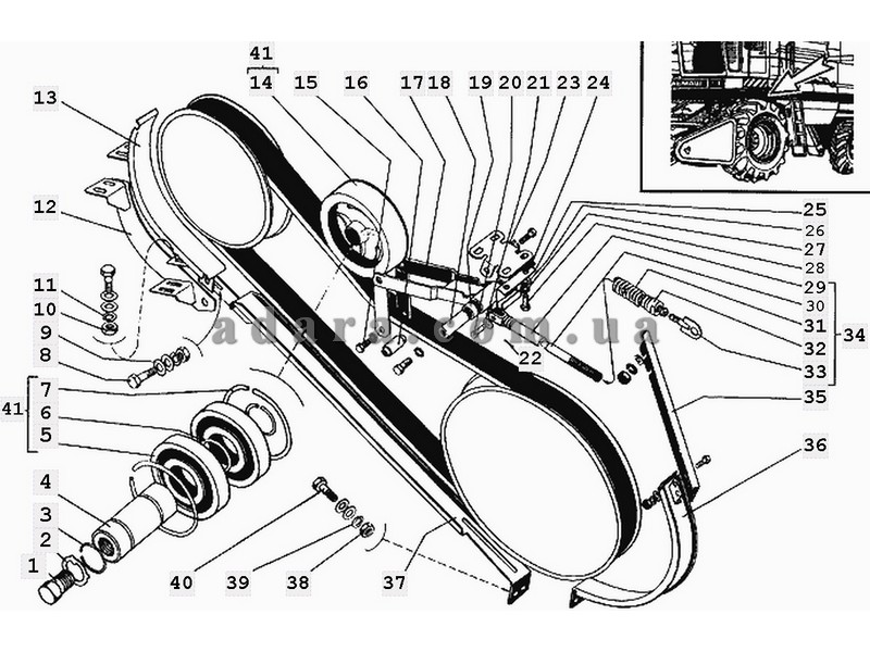
Номер позиции |
Наименование |
Каталожный номер |
| 39 | Шайба | 10Т.65Г.019 |
| 2 | Шайба | 12.01.019 |
| 27 | Шайба | 12Т.65Г.019 |
| 5 | Подшипник или 180204С17 | 180204К10С27 |
| 5 | Подшипник или 180204К10С27 | 180204С17 |
| 22 | Шплинт | 3,2х25.019 |
| 20 | Ось | 6-10в12х30.35Ц9Хр |
| 11 | Шайба | 8Т.65Г.019 |
| 38 | Гайка | М10-6Н.6.019 |
| 15 | Болт | М10-8gх20.88.35.019 |
| 40 | Болт | М10-8gх30.88.35.019 |
| 1 | Болт | М12-6gх20.88.35.019 |
| 28 | Болт | М12-8gх30.88.35.019 |
| 10 | Гайка | М8-6Н.6.019 |
| 8 | Болт | М8-8gх20.88.35.019 |
| 6 | Кольцо | Н.206.30.003 |
| 14 | Шкив натяжной или РСМ-10.01.22.101 | РСМ-10.01.22.001 |
| 13 | Кожух | РСМ-10.01.22.070Б |
| 36 | Кожух поддерживающий | РСМ-10.01.22.090В |
| 14 | Шкив натяжной или РСМ-10.01.22.001 | РСМ-10.01.22.101 |
| 34 | Пружина натяжения в сборе | РСМ-10.01.22.120 |
| 29 | Пробка | РСМ-10.01.22.130В |
| 33 | Тяга | РСМ-10.01.22.150В |
| 37 | Кожух охватывающий | РСМ-10.01.22.160 |
| 17 | Вилка | РСМ-10.01.22.170 |
| 23 | Кронштейн | РСМ-10.01.22.180 |
| 12 | Кронштейн | РСМ-10.01.22.220А |
| 32 | Пробка | РСМ-10.01.22.307 |
| 35 | Кронштейн | РСМ-10.01.22.417Б |
| 24 | Успокоитель | РСМ-10.01.22.419А |
| 25 | Прокладка | РСМ-10.01.22.523 |
| 16 | Ось | РСМ-10.01.22.602В |
| 4 | Ось | РСМ-10.01.22.606 |
| 30 | Ось | РСМ-10.01.22.611Г |
| 31 | Пружина | РСМ-10.01.22.613 |
| 18 | Ось | РСМ-10.01.22.616А |
| 41 | Шкив в сборе | РСМ-10.02.22.140 |
| 19 | Втулка | РСМ-10.05.01.604 |
| 21 | Шайба | С10.01.019 |
| 26 | Шайба | С12.01.019 |
| 3 | Кольцо ГОСТ 13942-86 | С20 |
| 7 | Кольцо ГОСТ 13943-86 | С47 |
| 9 | Шайба | С8х01.019 |



