
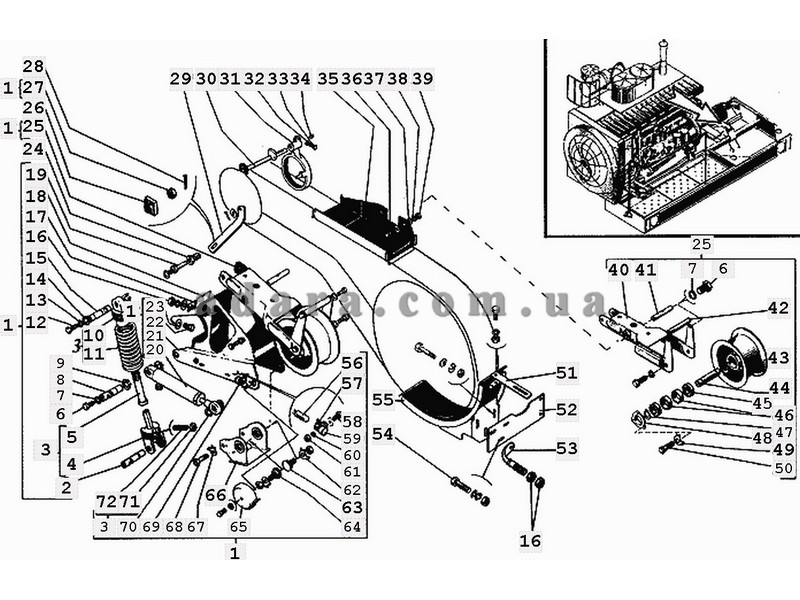
Номер позиции |
Наименование |
Каталожный номер |
| 32 | Шайба | 10Т.65Г.019 |
| 67 | Шайба | 12.01.019 |
| 7 | Шайба | 12Т.65Г.019 |
| 62 | Шайба | 16.01.019 |
| 13 | Шайба | 16Т.65Г.019 |
| 45 | Подшипник или 180206К10С27 | 180206АС17 |
| 45 | Подшипник или 180206АС17 | 180206К10С27 |
| 28 | Шплинт | 3,2х25.019 |
| 34 | Шпонка | 5х5х40 |
| 60 | Шайба | 6Т.65Г.019 |
| 38 | Шайба | 8Т.65Г.019 |
| 49 | Шайба | 8х1,0.01.019 |
| 72 | Винт | ВМ10-6gх35.22Н.019 |
| 20 | Гидроцилиндр | ГА-93000-04 |
| 56 | Датчик оборотов | ДО13-2 |
| 71 | Гайка | М10-6Н.6.019 |
| 33 | Болт | М10-8gх30.88.35.019 |
| 16 | Гайка | М12-6Н.6.019 |
| 6 | Болт | М12-8gх20.88.35.019 |
| 22 | Болт | М12-8gх40.88.35.019 |
| 27 | Гайка | М16-6Н.019 |
| 12 | Болт | М16-8gх20.88.35.019 |
| 61 | Гайка | М6-6Н.6.019 |
| 58 | Болт | М6-8gх12.48.019 |
| 39 | Гайка | М8-6Н.6.019 |
| 36 | Болт | М8-8gх20.88.35.019 |
| 54 | Болт | М8-8gх25.88.35.019 |
| 50 | Болт | М8-8gх30.88.35.019 |
| 68 | Винт | МВ10-8gх35.22Н.019 |
| 69 | Магнитодержатель | П4М3.850.023ТУ |
| 31 | Охват | РСМ-10.05.00.670 |
| 43 | Шкив | РСМ-10.05.09.001Б |
| 57 | Прокладка | РСМ-10.05.09.002 |
| 65 | Экран | РСМ-10.05.09.050 |
| 1 | Механизм натяжения | РСМ-10.05.09.060Б |
| 21 | Кронштейн | РСМ-10.05.09.070Б |
| 25 | Рычаг натяжной | РСМ-10.05.09.080 |
| 40 | Рычаг | РСМ-10.05.09.090 |
| 11 | Пробка | РСМ-10.05.09.101В |
| 48 | Крышка | РСМ-10.05.09.103 |
| 30 | Подъемник | РСМ-10.05.09.120А |
| 3 | Пружина в сборе | РСМ-10.05.09.130 |
| 4 | Пробка | РСМ-10.05.09.150 |
| 66 | Кривошип | РСМ-10.05.09.160А |
| 55 | Кожух | РСМ-10.05.09.190 |
| 5 | Растяжка | РСМ-10.05.09.200А |
| 59 | Скоба | РСМ-10.05.09.409 |
| 35 | Кожух охватывающий | РСМ-10.05.09.414 |
| 52 | Кронштейн | РСМ-10.05.09.415 |
| 26 | Шайба | РСМ-10.05.09.421 |
| 29 | Тяга | РСМ-10.05.09.424 |
| 51 | Полоса | РСМ-10.05.09.506 |
| 17 | Прокладка | РСМ-10.05.09.508 |
| 18 | Прокладка | РСМ-10.05.09.509 |
| 46 | Втулка | РСМ-10.05.09.607А |
| 41 | Ось | РСМ-10.05.09.612А |
| 44 | Ось | РСМ-10.05.09.613В |
| 42 | Ось | РСМ-10.05.09.615А |
| 15 | Ось | РСМ-10.05.09.616В |
| 2 | Ось | РСМ-10.05.09.617А |
| 24 | Втулка | РСМ-10.05.09.618А |
| 19 | Ось | РСМ-10.05.09.619А |
| 70 | Втулка | РСМ-10.05.09.621 |
| 10 | Пружина | РСМ-10.05.09.622 |
| 64 | Ось | РСМ-10.05.09.624В |
| 63 | Ось | РСМ-10.05.09.624В-01 |
| 8 | Ось | РСМ-10.05.09.626В |
| 53 | Связь | РСМ-10.05.09.627А |
| 1 | Механизм натяжения | РСМ-8.03.09.010 |
| 15 | Ось | РСМ-8.03.09.601 А |
| 23 | Шайба | С12.01.019 |
| 9 | Кольцо ГОСТ 13942-86 | С20 |
| 14 | Кольцо ГОСТ 13942-86 | С25 |
| 47 | Кольцо ГОСТ 13942-86 | С30 |
| 37 | Шайба | С8.01.019 |



