
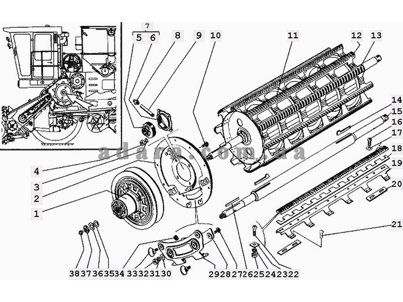
Номер позиции |
Наименование |
Каталожный номер |
| 38 | Масленка | 1.2.Ц6хр |
| 24 | Шайба | 12Т.65Г.019 |
| 3 | Шайба | 16Т.65Г.019 |
| 26 | Шпонка | 18х11х200 |
| 8 | Масленка | 2.2.45.Ц6хр |
| 34 | Втулка | 44-00241 |
| 33 | Винт | 44-1-2-16-2 |
| 9 | Трубка | 44Б-80243 |
| 22 | Болт специальный | 54-62388 |
| 16 | Болт | 54-62388-01 |
| 5 | Подшипник или 680314НК7С27 | 680314НК7С17 |
| 31 | Шайба | 8Т.65Г.019 |
| 37 | Гайка | ВМ42х1,5-6Н.05.019 |
| 25 | Гайка | М12х1,25-6Н.6.019 |
| 4 | Гайка | М16-6Н.6.019 |
| 10 | Болт | М16х50 |
| 32 | Гайка | М8-6Н.6.019 |
| 27 | Болт | М8х20 |
| 7 | Подшипник в сборе или опора или РСМ-10.01.15.330 | Н.027.01.160 |
| 6 | Корпус подшипника | Н.027.116 |
| 36 | Шайба | Н42х1,4.01.019 |
| 1 | Вариатор барабана | РСМ-10.01.18.060Б |
| 2 | Фланец | РСМ-10.01.18.130 |
| 29 | Крышка | РСМ-10.01.18.150 |
| 15 | Вал барабана | РСМ-10.01.18.260 |
| 14 | Шпонка специальная или РСМ-10.01.18.604 | РСМ-10.01.18.301 |
| 28 | Накладка | РСМ-10.01.18.409 |
| 11 | Остов барабана | РСМ-10.01.18.410 |
| 18 | Прокладка (по потребности) | РСМ-10.01.18.413 |
| 20 | Пластина балансировочная (по потребности) | РСМ-10.01.18.414 |
| 19 | Подбичник | РСМ-10.01.18.425 |
| 23 | Шайба | РСМ-10.01.18.501 |
| 14 | Шпонка специальная или РСМ-10.01.18.301 | РСМ-10.01.18.604 |
| 21 | Заклепка | РСМ-10.01.18.619 |
| 12 | Бич правый | РСМ-10.01.18.707 |
| 13 | Бич левый | РСМ-10.01.18.708 |
| 15 | Вал барабана | РСМ-8.01.18.260 |
| 11 | Остов барабана | РСМ-8.01.18.410 |
| 18 | Прокладка (по потребности) | РСМ-8.01.18.413 |
| 19 | Подбичник | РСМ-8.01.18.425 |
| 12 | Бич правый | РСМ-8.01.18.707 |
| 13 | Бич левый | РСМ-8.01.18.708 |
| 17 | Шайба | С12х2,0.01.019 |
| 35 | Шайба | С42х4,0.01.019 |
| 30 | Шайба | С8х1,4.01.019 |



