
Номер позиции |
Наименование |
Каталожный номер |
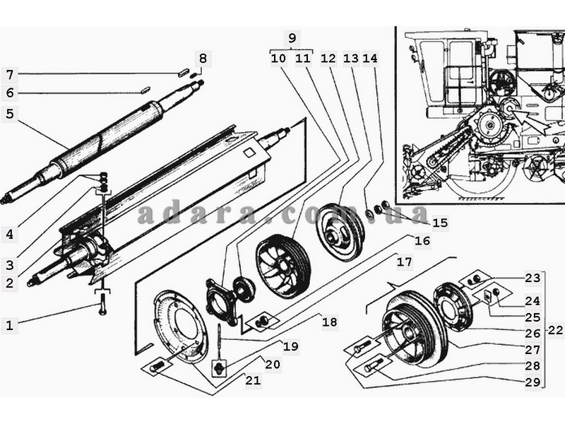
| 19 | Масленка | 1.2.Ц6хр |
| 23 | Шайба | 10Т.65Г.019 |
| 6 | Шпонка | 10х8х70 |
| 8 | Шпонка | 14х9х56 |
| 17 | Шайба | 16Т.65Г.019 |
| 7 | Шпонка | 18х11х90 |
| 18 | Трубка | 44Б-80243 |
| 11 | Подшипник или 680314НК7С27 | 680314НК7С17 |
| 29 | Болт | М10-6gх45.88.35.019 |
| 24 | Гайка | М10-6Н.6.019 |
| 1 | Болт | М16-6gх120.88.35.019 |
| 4 | Гайка | М16-6Н.6.019 |
| 16 | Гайка | М16-6Н.6.019 |
| 21 | Болт | М16х50 |
| 15 | Гайка | М24х2-6Н.04.35.019 |
| 9 | Подшипник в сборе или опора или РСМ-10.01.15.330 | Н.027.01.160 |
| 10 | Корпус подшипника | Н.027.116 |
| 13 | Шкив привода контрприводов | РСМ-10.01.21.106 |
| 12 | Шкив для комбайнов с копнителем или РСМ-10.01.21.170 | РСМ-10.01.21.108 |
| 2 | Битер отбойный (с валом) или РСМ-10Б.01.21.230 | РСМ-10.01.21.110А |
| 5 | Вал сварной с диаметрами цапф 70 мм и 80 мм или РСМ-10Б.01.21.240 | РСМ-10.01.21.140А |
| 12 | Шкив для комбайнов с копнителем или РСМ-10.01.21.108 | РСМ-10.01.21.170 |
| 20 | Фланец | РСМ-10.01.21.403 |
| 3 | Шайба | РСМ-10.01.21.404 |
| 26 | Шкив для комбайна с измельчителем (привода заднего контрпривода) | РСМ-10.14.00.001Б |
| 27 | Шкив для комбайна с измельчителем или РСМ-10.14.00.520 | РСМ-10.14.00.109 |
| 25 | Шайба стопорная | РСМ-10.14.00.459 |
| 22 | Шкив для комбайна с измельчителем или РСМ-10.14.00.530 | РСМ-10.14.00.510 |
| 27 | Шкив для комбайна с измельчителем или РСМ-10.14.00.109 | РСМ-10.14.00.520 |
| 22 | Шкив для комбайна с измельчителем или РСМ-10.14.00.510 | РСМ-10.14.00.530 |
| 28 | Болт | РСМ-10.14.00.612А |
| 10 | Корпус подшипника или Н.027.116 | РСМ-10Б.01.21.111 |
| 2 | Битер отбойный (с валом) или РСМ-10.01.21.110А | РСМ-10Б.01.21.230 |
| 5 | Вал сварной с диаметрами цапф 70 мм и 80 мм или РСМ-10.01.21.140А | РСМ-10Б.01.21.240 |
| 2 | Битер отбойный (с валом) | РСМ-8.01.21.110 |
| 5 | Вал сварной с диаметрами цапф 70 мм и 80 мм | РСМ-8.01.21.140А |
| 14 | Шайба | С24х6.01.019 |



