
Номер позиции |
Наименование |
Каталожный номер |
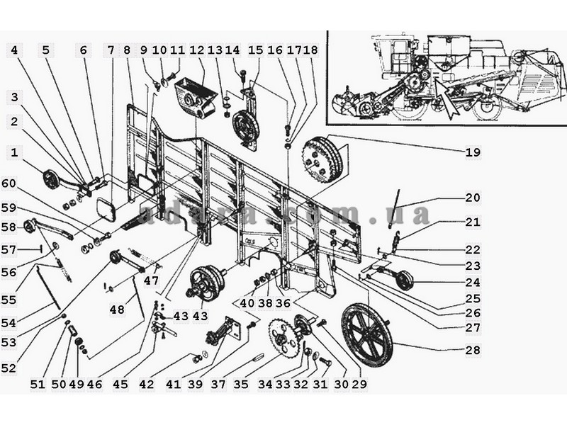
| 42 | Шайба | 10Т.65Г.019 |
| 31 | Болт (для комбайнов с копнителем) | 2М12-6gх75.88.35.019 |
| 23 | Шплинт | 3,2х20.019 |
| 34 | Шплинт | 3,2х32.019 |
| 7 | Крышка верхнего люка | 34-2-70 |
| 10 | Шайба эксцентричная | 41119А |
| 57 | Шплинт | 4х32.019 |
| 26 | Шплинт (для комбайнов с копнителем) | 5,0х32.019 |
| 9 | Гайка специальная | 54-2-157 |
| 17 | Шайба | 8Т.65Г.019 |
| 37 | Шпонка (для комбайнов с копнителем) | 8х7х50 |
| 60 | Болт | М10-6gх30.88.35.019 |
| 52 | Гайка | М10-6Н.6.019 |
| 39 | Болт | М10х25 |
| 29 | Болт | М10х35 |
| 27 | Болт | М12-6gх50.88.35.019 |
| 6 | Болт | М12-6gх60.88.35.019 |
| 33 | Гайка | М12-6Н.6.019 |
| 5 | Болт | М12х65 |
| 40 | Гайка | М16-6Н.6.019 |
| 11 | Болт | М16х20 |
| 16 | Болт | М8-6gх20.88.35.019 |
| 14 | Болт | М8-6gх25.88.35.019 |
| 18 | Гайка | М8-6Н.6.019 |
| 30 | Опора (для комбайнов с копнителем) | Н.027.01.040 |
| 46 | Преобразователь первичный | ПрП-1М |
| 49 | Кольцо (для комбайнов с измельчителем) | РСМ-10.01.30.015 |
| 41 | Устройство натяжное (для комбайнов с копнителем) | РСМ-10.01.30.020Б |
| 4 | Шайба | РСМ-10.01.30.021А |
| 15 | Шкив натяжной | РСМ-10.01.30.050А |
| 53 | Ролик натяжной | РСМ-10.01.30.090А |
| 1 | Ролик натяжной | РСМ-10.01.30.330В |
| 44 | Кронштейн | РСМ-10.01.30.403 |
| 58 | Рычаг | РСМ-10.01.30.440Б |
| 35 | Звездочка z=56, t-19,05 мм (для комбайнов с копнителем) | РСМ-10.01.30.560А |
| 48 | Тяга | РСМ-10.01.30.613 |
| 47 | Пружина | РСМ-10.01.30.618 |
| 55 | Пружина | РСМ-10.01.30.646 |
| 54 | Тяга | РСМ-10.01.30.653 |
| 50 | Втулка | РСМ-10.01.30.831 |
| 43 | Задний контрпривод | РСМ-10.01.34.200В |
| 28 | Вал коленчатый ведущий | РСМ-10.01.38.110Б |
| 12 | Домолачивающее устройство | РСМ-10.01.39.000Б |
| 45 | Вал коленчатый ведомый | РСМ-10.0138.120А |
| 36 | Втулка (для комбайнов с копнителем) | РСМ-10.14.28.804 |
| 19 | Контрпривод (для комбайнов с копнителем) или РСМ-10Б.01.30.070 | РСМ-10Б.01.30.040 |
| 19 | Контрпривод (для комбайнов с копнителем) или РСМ-10Б.01.30.040 | РСМ-10Б.01.30.070 |
| 24 | Ролик натяжной (для комбайнов с копнителем) | РСМ-10Б.01.30.120Б |
| 20 | Тяга (для комбайнов с копнителем) | РСМ-10Б.01.30.170 |
| 22 | Тяга (для комбайнов с копнителем) | РСМ-10Б.01.30.512А |
| 21 | Пружина (для комбайнов с копнителем) | РСМ-10Б.01.30.605 |
| 8 | Панель левая | РСМ-10Б.01.31.000А |
| 43 | Задний контрпривод | РСМ-8.01.34.100Б |
| 28 | Вал коленчатый ведущий | РСМ-8.01.38.010Б |
| 45 | Вал коленчатый ведомый | РСМ-8.0138.020А |
| 59 | Шайба | С10.01.019 |
| 51 | Шайба | С10х3.01.019 |
| 32 | Шайба | С12х3.01.019 |
| 38 | Шайба | С16.01.019 |
| 3 | Шайба | С18.01.019 |
| 2 | Шайба | С18х1,4.01.019 |
| 25 | Шайба (для комбайнов с копнителем) | С20.01.019 |
| 56 | Шайба | С20х3,9.01.019 |
| 13 | Шайба | С8х1,4.01.019 |



