
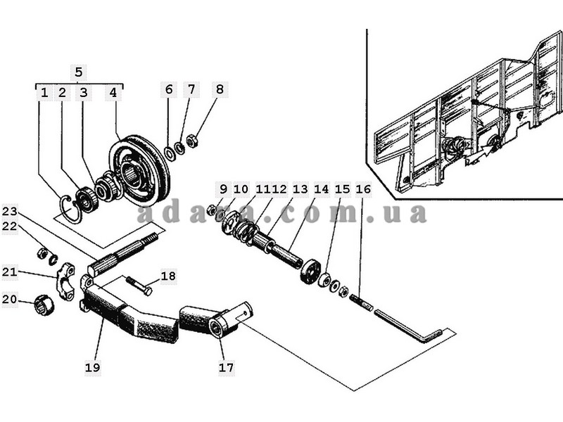
Номер позиции |
Наименование |
Каталожный номер |
| 22 | Шайба | 10Т.65Г.019 |
| 7 | Шайба | 16Т.65Г.019 |
| 6 | Шайба | 16х3,0.01.019 |
| 2 | Подшипник | 180204С9 |
| 15 | Шайба сферическая (для комбайнов с измельчителем) | 54-00732 |
| 12 | Пружина | 54-60878 |
| 18 | Болт | М10-6gх65.88.35.019 |
| 9 | Гайка | М10-6Н.6.019 |
| 8 | Гайка | М16-6Н.6.019 |
| 3 | Кольцо | Н.206.30.003 |
| 17 | Втулка | РСМ-10.01.30.016 |
| 13 | Втулка | РСМ-10.01.30.018 |
| 16 | Тяга | РСМ-10.01.30.045А |
| 5 | Шкив в сборе | РСМ-10.01.30.150Б |
| 4 | Шкив или РСМ-10.01.30.900А | РСМ-10.01.30.370 |
| 20 | Втулка | РСМ-10.01.30.608 |
| 23 | Ось | РСМ-10.01.30.634А |
| 19 | Рычаг с втулкой | РСМ-10.01.30.750А |
| 14 | Втулка (для комбайнов с измельчителем) | РСМ-10.01.30.834 |
| 4 | Шкив или РСМ-10.01.30.370 | РСМ-10.01.30.900А |
| 11 | Шайба | РСМ-10.04.10.412 |
| 21 | Крышка | РСМ-10.14.00.301 |
| 10 | Шайба | С10.01.019 |
| 1 | Кольцо ГОСТ 13943-86 | С47 |



