
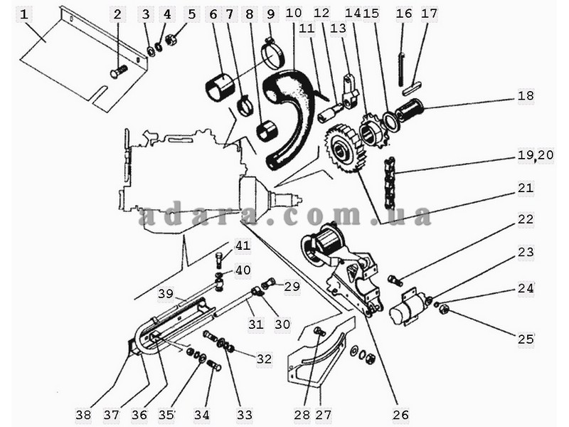
Номер позиции |
Наименование |
Каталожный номер |
| 40 | Прокладка | 00274А |
| 24 | Шайба | 12Т.65Г.019 |
| 17 | Шпонка | 3-8х7х36 |
| 11 | Шплинт | 4х25.019 |
| 30 | Хомут (кроме двигателя ЯМЗ) | 54-0-139 |
| 7 | Хомут стяжной | 54-0-139-05 |
| 16 | Шплинт | 6,3х71.019 |
| 41 | Болт специальный | 60866 |
| 33 | Шайба | 6Т.65Г.019 |
| 4 | Шайба | 8Т.65Г.019 |
| 22 | Болт | М12-6gх40.88.35.019 |
| 25 | Гайка | М12-6Н.6.019 |
| 32 | Гайка | М6-6Н.6.019 |
| 34 | Болт | М6х20 |
| 28 | Болт | М8-6gх16.88.35.019 |
| 5 | Гайка | М8-6Н.6.019 |
| 2 | Болт | М8х20 |
| 19 | Цепь n=25 зв. + "С" (2 шт.) | ПР-15,875-2300-1 |
| 21 | Колесо храповое | РСМ-10.04.17.304 |
| 8 | Шланг | РСМ-10.05.00.004А |
| 38 | Уплотнение | РСМ-10.05.00.008А |
| 31 | Шланг | РСМ-10.05.00.019А |
| 14 | Звездочка | РСМ-10.05.00.305 |
| 13 | Собачка | РСМ-10.05.00.307А |
| 15 | Шайба | РСМ-10.05.00.407 |
| 37 | Трубопровод | РСМ-10.05.00.427А |
| 1 | Щиток | РСМ-10.05.00.447А |
| 27 | Щиток | РСМ-10.05.00.510 |
| 36 | Захват | РСМ-10.05.00.527 |
| 39 | Трубопровод | РСМ-10.05.00.560А |
| 29 | Пробка | РСМ-10.05.00.570 |
| 18 | Втулка | РСМ-10.05.00.641А |
| 12 | Палец | РСМ-10.05.00.642А |
| 26 | Механизм включения и выключения привода молотилки | РСМ-10.05.09.000Б |
| 6 | Шланг | РСМ-10Б.03.00.008 |
| 10 | Патрубок | РСМ-10Б.03.00.100 |
| 9 | Хомут | РСМ-10Б.03.00.400 |
| 20 | Звено соединительное | С-ПР-15,875-2300-1 |
| 23 | Шайба | С12.01.019 |
| 35 | Шайба | С6х1,4.01.019 |
| 3 | Шайба | С8х1,4.01.019 |



