
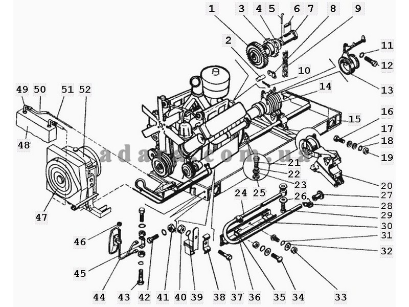
Номер позиции |
Наименование |
Каталожный номер |
| 26 | Прокладка | 00274А |
| 48 | Радиатор масляный | 100У.08.003 |
| 11 | Шайба | 10Т.65Г.019 |
| 18 | Шайба | 12Т.65Г.019 |
| 22 | Шайба | 16Т.65Г.019 |
| 6 | Шпонка | 3-8х7х36 |
| 10 | Шплинт | 4х25.019 |
| 38 | Скоба | 50487 |
| 28 | Хомут (кроме двигателя ЯМЗ) | 54-0-139 |
| 5 | Шплинт | 6,3х71.019 |
| 31 | Шайба | 6Т.65Г.019 |
| 39 | Шайба | 8Т.65Г.019 |
| 42 | Болт | М10-6gх25.88.35.019 |
| 12 | Болт | М10-6gх30.88.35.019 |
| 41 | Гайка | М10-6Н.6.019 |
| 16 | Болт | М12-6gх40.88.35.019 |
| 19 | Гайка | М12-6Н.6.019 |
| 21 | Болт | М16-6gх35.88.35.019 |
| 25 | Гайка | М16-6Н.6.019 |
| 33 | Гайка | М6-6Н.6.019 |
| 34 | Болт | М6х20 |
| 43 | Болт | М8-6gх20.88.35.019 |
| 37 | Болт | М8-6gх35.88.35.019 |
| 40 | Гайка | М8-6Н.019 |
| 9 | Цепь n=25 зв. + "С" (2 шт.) | Пр15,875-2300-1 |
| 1 | Колесо храповое | РСМ-10.04.17.304 |
| 4 | Шайба | РСМ-10.04.17.407 |
| 36 | Шланг | РСМ-10.05.00.019А |
| 46 | Колпачок | РСМ-10.05.00.025 |
| 3 | Звездочка | РСМ-10.05.00.305 |
| 8 | Собачка | РСМ-10.05.00.307А |
| 30 | Трубопровод | РСМ-10.05.00.427А |
| 44 | Зеркало | РСМ-10.05.00.440 |
| 45 | Кронштейн | РСМ-10.05.00.518 |
| 35 | Захват | РСМ-10.05.00.527 |
| 24 | Трубопровод | РСМ-10.05.00.560А |
| 27 | Пробка | РСМ-10.05.00.570 |
| 7 | Втулка | РСМ-10.05.00.641А |
| 2 | Палец | РСМ-10.05.00.642А |
| 13 | Охват | РСМ-10.05.00.670 |
| 14 | Шкив диаметр 250 (6-ти ручьевой 6/НВ) или РСМ-10.05.00.108Г | РСМ-10.05.00.790 |
| 20 | Механизм включения привода молотилки | РСМ-10.05.09.000В |
| 47 | Воздухозаборник | РСМ-10.05.18.000А |
| 49 | Угольник | РСМ-10Б.06.00.130А |
| 29 | Болт специальный | РСМ-10Б.06.00.601 |
| 51 | Труба | РСМ-10Б.06.00.811 |
| 15 | Рама подмоторная | РСМ-10Б.06.01.000 |
| 52 | Блок радиаторов | РСМ-10Б.06.02.000 |
| 50 | Рукав | РСМ-10Б.09.66.050 |
| 20 | Механизм включения привода молотилки | РСМ-8.03.09.000А |
| 14 | Шкив диаметр 250 (6-ти ручьевой) или РСМ-8.03.00.101Г | РСМ-8Б.03.00.380 |
| 15 | Рама подмоторная | РСМ-8Б.11.01.000 |
| 17 | Шайба | С12.01.019 |
| 23 | Шайба | С16.01.019 |
| 32 | Шайба | С6х1,4.01.019 |



