
Номер позиции |
Наименование |
Каталожный номер |
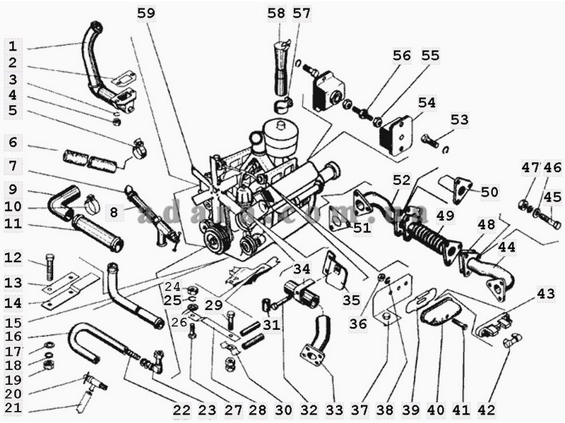
| 3 | Шайба | 10Т.65Г.065 |
| 18 | Шайба | 12Т.65Г.019 |
| 58 | Эжектор | 23-17С7 |
| 49 | Сифон газопровода (из комплекта двигателя) | 238НБ-100.80.88-А |
| 48 | Прокладка (из комплекта двигателя) | 238НБ-100.8054 |
| 50 | Патрубок-кронштейн турбокомпрессора | 238Ф-1008482 |
| 13 | Пластина | 44-50050 |
| 38 | Шайба | 4Т.65Г.019 |
| 51 | Прокладка фланца коллектора или РСМ-10Б.06.00.170 | 500-12030002 |
| 30 | Скоба | 50487 |
| 10 | Хомут стяжной | 54-0-139-02 |
| 57 | Хомут | 54-0-140-01 |
| 40 | Крышка предохранительная | 54-00345 |
| 39 | Держатель | 54-42025 |
| 25 | Шайба | 8Т.65Г.019 |
| 43 | Блок защиты | Б3-30УХЛ.3.30b |
| 41 | Винт | ВМ4-6gх25.48.019 |
| 20 | Кран | ВС 11 |
| 45 | Болт | М10-6gх50.88.35.019 |
| 32 | Болт | М10-6gх80.88.35.019 |
| 47 | Гайка | М10-6Н.6.019 |
| 4 | Гайка | М10х1-6Н.6.019 |
| 53 | Болт | М12-6gх30.88.35.019 |
| 12 | Болт | М12-6gх45.88.35.019 |
| 19 | Гайка | М12-6Н.6.019 |
| 55 | Гайка | М16-6Н.6.019 |
| 36 | Гайка | М4-6Н.6.019 |
| 27 | Болт | М8-6gх25.88.35.019 |
| 29 | Болт | М8-6gх45.88.35.019 |
| 24 | Гайка | М8-6Н.6.019 |
| 42 | Предохранитель | ПВ-30УХЛ.3.30b |
| 21 | Шланг | РСМ-10.05.00.011 |
| 33 | Патрубок | РСМ-10.05.00.029 |
| 14 | Кронштейн | РСМ-10.05.00.545 |
| 56 | Шпилька | РСМ-10.05.00.647 |
| 54 | Амортизатор | РСМ-10.05.00.900 |
| 5 | Хомут | РСМ-10.09.01.950 |
| 22 | Пружина | РСМ-10.09.06.611 |
| 4 | Гайка | РСМ-100.05.03.459 |
| 2 | Прокладка | РСМ-10Б.06.00.001 |
| 6 | Труба | РСМ-10Б.06.00.003 |
| 9 | Труба или РСМ-10Б.06.00.007-01 | РСМ-10Б.06.00.007 |
| 9 | Труба или РСМ-10Б.06.00.007 | РСМ-10Б.06.00.007-01 |
| 16 | Рукав | РСМ-10Б.06.00.011-01 |
| 1 | Патрубок | РСМ-10Б.06.00.030 |
| 35 | Кронштейн | РСМ-10Б.06.00.050 |
| 44 | Патрубок | РСМ-10Б.06.00.102 |
| 52 | Патрубок | РСМ-10Б.06.00.107 |
| 23 | Угольник | РСМ-10Б.06.00.130А |
| 51 | Прокладка фланца коллектора или 500-12030002 | РСМ-10Б.06.00.170 |
| 34 | Скоба | РСМ-10Б.06.00.210 |
| 8 | Слив | РСМ-10Б.06.00.310 |
| 28 | Кронштейн | РСМ-10Б.06.00.428 |
| 11 | Труба | РСМ-10Б.06.00.801 |
| 15 | Труба | РСМ-10Б.06.00.812 |
| 31 | Трубка | РСМ-10Б.06.00.817 |
| 37 | Кронштейн | РСМ-10Б.10.06.404 |
| 7 | Переходник | РСМ-800.01.04.303Б |
| 46 | Шайба | С10х2.01.019 |
| 17 | Шайба | С12х2.01.019 |
| 26 | Шайба | С8х1,4.01.019 |
| 59 | Воздухоочиститель | ЯМЗ238-1109510 |



