
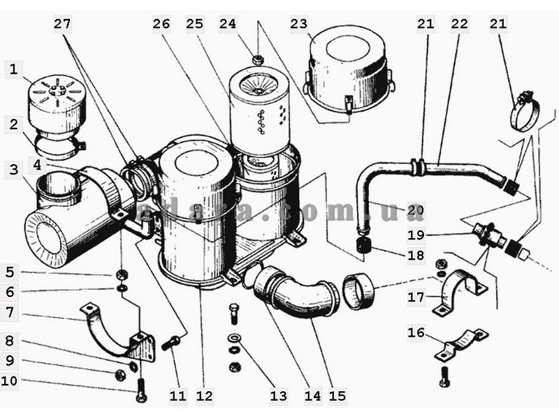
Номер позиции |
Наименование |
Каталожный номер |
| 8 | Шайба | 10Т.65Г.019 |
| 18 | Рукав 42х56,5-15, L=70 | 23-1208 |
| 19 | Клапан эжектора | 23-12с4 |
| 25 | Фильтрующий элемент | 250И-1109080 |
| 26 | Фильтрующий элемент | 250И-1109080-10 |
| 2 | Хомут | 31-1234 |
| 1 | Воздухозаборник вращающийся | 31-12с3-1 |
| 21 | Хомут стяжной | 54-0-139-04 |
| 6 | Шайба | 8Т.65Г.019 |
| 23 | Крышка | Д 461-1109580 |
| 24 | Гайка | М10 |
| 11 | Болт | М10-6gх25.88.35.019 |
| 9 | Гайка | М10-6Н.6.019 |
| 10 | Болт | М8-6gх20.88.35.019 |
| 5 | Гайка | М8-6Н.6.019 |
| 17 | Скоба | РСМ-10.05.00.547 |
| 16 | Кронштейн | РСМ-10.05.00.548 |
| 14 | Шланг | РСМ-10Б.03.00.008 |
| 27 | Хомут | РСМ-10Б.03.00.400А |
| 4 | Крышка | РСМ-10Б.03.00.507 |
| 15 | Патрубок | РСМ-10Б.06.00.060 |
| 7 | Кронштейн | РСМ-10Б.06.00.160 |
| 20 | Труба | РСМ-10Б.06.00.815 |
| 22 | Труба | РСМ-10Б.06.00.816 |
| 19 | Клапан эжектора | РСМ-10Б.06.21.000 |
| 20 | Труба | РСМ-8Б.11.00.815 |
| 22 | Труба | РСМ-8Б.11.00.816 |
| 13 | Шайба | С10х2,0.01.019 |
| 12 | Воздухоочиститель | ЯМЗ 238-1109510 |
| 3 | Предочиститель инерционный | ЯМЗ238-10Б.06.000 |



