
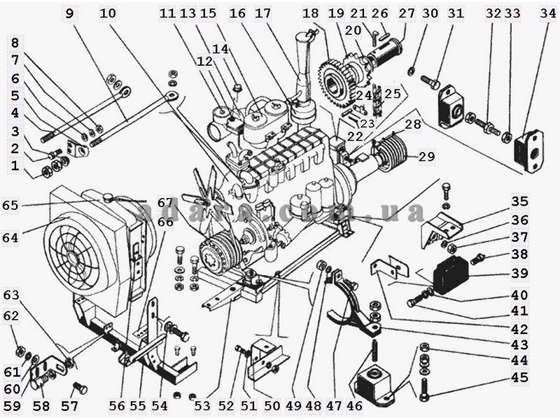
Номер позиции |
Наименование |
Каталожный номер |
| 30 | Шайба | 12Т.65Г.019 |
| 36 | Шайба | 16.65Г.025 |
| 48 | Шайба | 16Т.65Г.019 |
| 17 | Эжектор | 23-17С7 |
| 26 | Шпонка | 3-8х7х36 |
| 11 | Воздухозаборник вращающийся | 31-12С3-1 |
| 16 | Глушитель | 31-17С2 |
| 13 | Предочиститель инерционный | 31А-12С11 |
| 15 | Воздухоочиститель | 31А-12С2 |
| 14 | Пробка | 44-00108А |
| 43 | Кронштейн | 44Б-20047А |
| 22 | Шплинт | 4х25.019 |
| 21 | Шплинт | 6,3х71.019 |
| 61 | Шайба | 6Т.65Г.019 |
| 7 | Шайба | 8Т.65Г.019 |
| 1 | Гайка | М10-6Н.6.019 |
| 44 | Гайка | М12-6Н.6.019 |
| 38 | Болт | М12-8gх20.88.35.019 |
| 41 | Болт | М12-8gх25.88.35.019 |
| 31 | Болт | М12-8gх30.88.35.019 |
| 45 | Болт | М12-8gх40.88.35.019 |
| 47 | Болт | М16-6gх65.88.35.019 |
| 49 | Гайка | М16-6Н.6.019 |
| 46 | Болт | М16-8gх55.88.35.019 |
| 33 | Гайка | М16.6.019 |
| 37 | Гайка | М16.6Н.6.016 |
| 63 | Гайка | М20х1,5.6Н.04.019 |
| 62 | Гайка | М6-6Н.6.019 |
| 57 | Болт | М6х20 |
| 52 | Болт | М8-6gх20.88.35.019 |
| 8 | Гайка | М8-6Н.6.019 |
| 2 | Болт | М8-8gх20.88.35.019 |
| 25 | Цепь n=25 зв. + "С" (2 шт.) | ПР-15,875-2300-1 |
| 58 | Преобразователь первичный | ПрП-1М |
| 18 | Колесо храповое | РСМ-10.04.17.304 |
| 20 | Шайба | РСМ-10.04.17.407 |
| 66 | Прокладка | РСМ-10.05.00.005 |
| 10 | Двигатель СМД-31А | РСМ-10.05.00.030Б |
| 55 | Опора | РСМ-10.05.00.100А |
| 67 | Шкив | РСМ-10.05.00.106В |
| 29 | Шкив диаметр 250 (6-ти ручьевой 6/НВ) или РСМ-10.05.00.790 | РСМ-10.05.00.108Г |
| 65 | Воздухозаборник | РСМ-10.05.00.150А |
| 35 | Опора | РСМ-10.05.00.204Б |
| 39 | Подушка задней опоры | РСМ-10.05.00.210А |
| 19 | Звездочка | РСМ-10.05.00.305 |
| 24 | Собачка | РСМ-10.05.00.307 |
| 56 | Кронштейн | РСМ-10.05.00.340А |
| 5 | Кронштейн | РСМ-10.05.00.424А |
| 42 | Кронштейн | РСМ-10.05.00.451 |
| 59 | Кронштейн | РСМ-10.05.00.502Б |
| 12 | Бачок расширительный | РСМ-10.05.00.580 |
| 3 | Шайба сферическая | РСМ-10.05.00.621 |
| 9 | Тяга | РСМ-10.05.00.626Б |
| 4 | Тяга | РСМ-10.05.00.627А |
| 27 | Втулка | РСМ-10.05.00.641А |
| 32 | Шпилька | РСМ-10.05.00.647 |
| 29 | Шкив диаметр 250 (6-ти ручьевой 6/НВ) или РСМ-10.05.00.108Г | РСМ-10.05.00.790 |
| 34 | Амортизатор | РСМ-10.05.00.900 |
| 28 | Подъемник | РСМ-10.05.09.120А |
| 64 | Воздухозаборник | РСМ-10.05.18.000А |
| 23 | Палец | РСМ-10.05.642А |
| 53 | Рама | РСМ-10Б.03.00.040 |
| 50 | Кронштейн | РСМ-10Б.03.00.505 |
| 54 | Шайба | С12.01.019 |
| 40 | Шайба | С12х2,0.01.019 |
| 60 | Шайба | С6х1,4.01.019 |
| 6 | Шайба | С8х1,4.01.019 |
| 51 | Шайба | С8х2.01.019 |



