
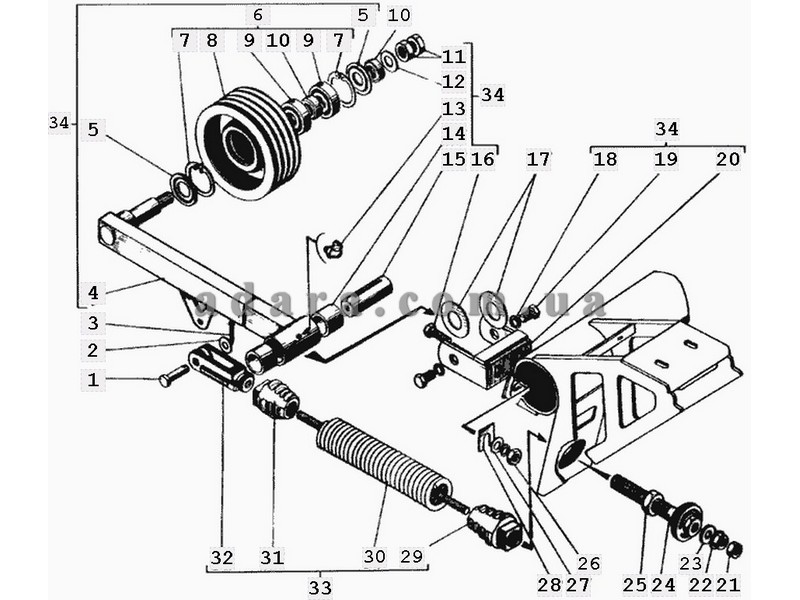
Номер позиции |
Наименование |
Каталожный номер |
| 18 | Шайба | 12Т.65Г.019 |
| 9 | Подшипник или 180206АС17 | 180206К10С27 |
| 13 | Масленка | 2,3.90.Ц6хр |
| 9 | Подшипник или 180206К10С27 | 2В0-180206АС17 |
| 3 | Шплинт | 3,2х18.019 |
| 1 | Ось | 6-10в12х36.35.Ц9хр |
| 16 | Болт | М12-6gх35.88.35.019 |
| 26 | Гайка | М12-6Н.6.019 |
| 19 | Болт | М12х20.88.35.019 |
| 21 | Гайка | М14-6Н.6.019 |
| 11 | Гайка | М20-6Н.04.35.019 |
| 25 | Гайка | М24-6Н.6.019 |
| 10 | Кольцо | РСМ-10.05.00.023В |
| 14 | Втулка | РСМ-10.05.00.027В |
| 23 | Амортизатор | РСМ-10.05.00.033А |
| 31 | Пробка | РСМ-10.05.00.108А |
| 29 | Пробка | РСМ-10.05.00.108А-01 |
| 8 | Шкив специальный | РСМ-10.05.00.112В |
| 4 | Рычаг | РСМ-10.05.00.240В |
| 6 | Шкив | РСМ-10.05.00.300Б |
| 32 | Вилка | РСМ-10.05.00.303 |
| 5 | Шайба защитная | РСМ-10.05.00.499 |
| 33 | Пружина | РСМ-10.05.00.610Г |
| 24 | Втулка натяжная | РСМ-10.05.00.730А |
| 22 | Гайка | РСМ-10.05.00.780А |
| 28 | Прокладка | РСМ-10.05.09.508 |
| 30 | Пружина | РСМ-100.01.00.632Б |
| 34 | Натяжник | РСМ-10Б.05.00.130 |
| 20 | Рамка | РСМ-10Б.05.00.160 |
| 15 | Ось | РСМ-10Б.05.00.602 |
| 2 | Шайба | С10.01.019 |
| 27 | Шайба | С12х2.01.019 |
| 12 | Шайба | С20х3,9.01.019 |
| 17 | Шайба | С30х2.01.019 |
| 7 | Кольцо ГОСТ 13943-86 | С62 |



