
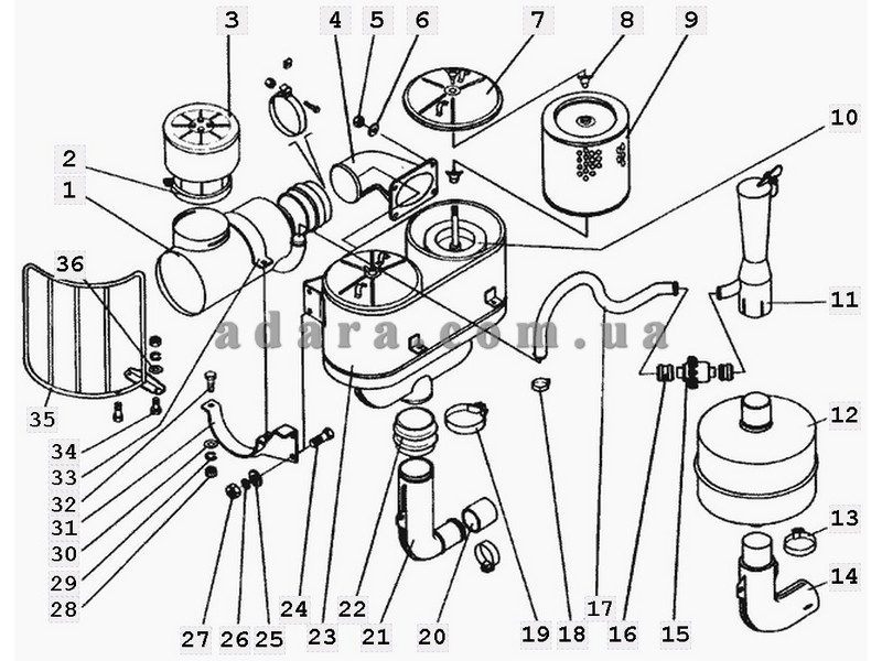
Номер позиции |
Наименование |
Каталожный номер |
| 26 | Шайба | 10Т.65Г.019 |
| 6 | Шайба | 10х1,5.04.05 |
| 10 | Фильтр-патрон | 21-12С12А |
| 22 | Компенсатор | 23-1206 |
| 16 | Рукав 42х56,5-15, L=70 | 23-1208 |
| 20 | Рукав 76х87,5-3, L=70 | 23-1209 |
| 19 | Хомут стяжной | 23-12С15 |
| 15 | Клапан эжектора | 23-12С4 |
| 7 | Крышка | 23-12С5 |
| 11 | Эжектор | 23-17С7 |
| 2 | Хомут | 31-1234 |
| 3 | Воздухозаборник вращающийся | 31-12С3-1 |
| 12 | Глушитель | 31-17С2 |
| 14 | Труба выпускная | 31-17С3 |
| 1 | Предочиститель инерционный | 31А-12С11 |
| 23 | Воздухоочиститель | 31А-12С2 |
| 4 | Патрубок | 31А-12С7-1 |
| 21 | Труба выпускная | 31А-12С9 |
| 18 | Хомут стяжной | 54-0-139-04 |
| 13 | Хомут | 54-0-140-01 |
| 8 | Зажим | 60-12027.10 |
| 10 | Фильтр-патрон или 21-12С12А или 60-12028.00-01 | 60-12028.00 |
| 10 | Фильтр-патрон или 21-12С12А или 60-12028.00 | 60-12028.00-01 |
| 9 | Фильтр-патрон | 60-12029.00 |
| 9 | Фильтр-патрон или 60-12029.00 | 60-12029.00-01 |
| 29 | Шайба | 8Т.65Г.019 |
| 5 | Гайка | М10-6Н.6.019 |
| 27 | Гайка | М10-6Н.6.019 |
| 24 | Болт | М10-8gх25.88.35.019 |
| 28 | Гайка | М8-6Н.6.019 |
| 34 | Болт | М8-8gх16.88.35.019 |
| 32 | Болт | М8-8gх20.88.35.019 |
| 33 | Крышка | РСМ-10.05.00.525А |
| 31 | Кронштейн | РСМ-10.05.00.630 |
| 35 | Ограничитель | РСМ-10.05.00.650 |
| 17 | Труба | РСМ-10.05.00.824 |
| 25 | Шайба | С10.01.019 |
| 36 | Шайба | С8.01.019 |
| 30 | Шайба | С8х1,4.01.019 |



