
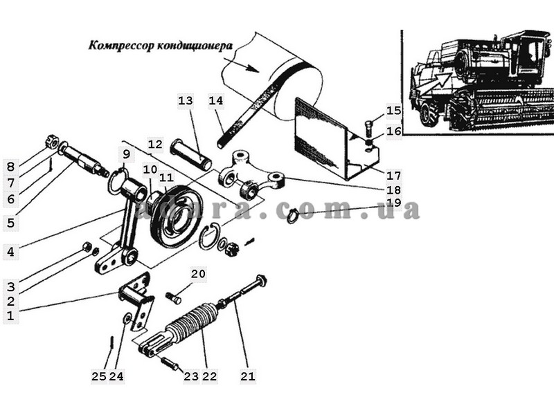
Номер позиции |
Наименование |
Каталожный номер |
| 16 | Шайба | 10Т.65Т.019 |
| 10 | Подшипник или 180204С17 | 180204К10С27 |
| 14 | Ремень | 2 кл-1-11х10-1120 |
| 25 | Шплинт | 3,2х18.019 |
| 6 | Шплинт | 4х36.019 |
| 23 | Ось | 6-10в12х36.35Ц9хр |
| 2 | Шайба | 8Т.65Т.019 |
| 15 | Болт | М10-6gх30.88.35.019 |
| 8 | Гайка | М16-6Н.04.019 |
| 20 | Болт | М8-6gх30.88.35.019 |
| 3 | Гайка | М8-6Н.6.019 |
| 11 | Шкив | РСМ-10.05.04.104Г |
| 4 | Рычаг | РСМ-10.05.04.105А |
| 18 | Кронштейн | РСМ-10.05.04.106А |
| 12 | Шкив в сборе | РСМ-10.05.04.190А |
| 22 | Пружина | РСМ-10.05.04.260А |
| 1 | Рычаг | РСМ-10.05.04.280А |
| 21 | Болт натяжения | РСМ-10.05.04.290А |
| 17 | Кронштейн | РСМ-10.05.04.310 |
| 13 | Ось | РСМ-10.05.04.601А |
| 5 | Ось | РСМ-10.05.04.603Б |
| 7 | Шайба | С16х01.019 |
| 19 | Кольцо ГОСТ 13942-86 | С25 |
| 9 | Кольцо ГОСТ 13943-86 | С47 |
| 24 | Шайба | С6х14.01.019 |



