
Номер позиции |
Наименование |
Каталожный номер |
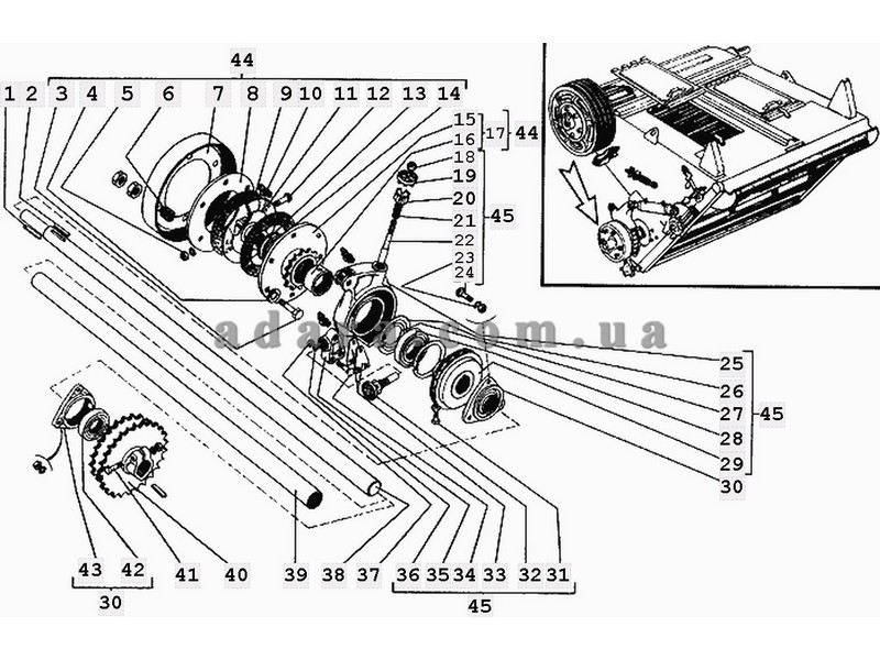
| 23 | Шайба | 10Т.65Г.019 |
| 36 | Шайба | 12Т.65Г.019 |
| 42 | Подшипник | 1680208К7С17 |
| 28 | Подшипник или 180712К10С27 | 180712АС27 |
| 28 | Подшипник или 180712АС27 | 180712К10С27 |
| 10 | Масленка | 2,2.45.Ц6Хр |
| 1 | Шпонка | 2-10х8х50 |
| 2 | Шпонка | 2-12х8х70 |
| 39 | Труба | 3518050-10071 |
| 11 | Диск ведущий | 3518050-11980А |
| 38 | Вал | 3518050-16403Б |
| 39 | Труба | 3518060-10071А |
| 19 | Маховичок | 3518060-11052А |
| 35 | Корпус фиксатора | 3518060-12036А |
| 25 | Рычаг | 3518060-12037А |
| 33 | Прокладка | 3518060-14796 |
| 21 | Пружина | 3518060-16291 |
| 38 | Вал | 3518060-16403Б |
| 22 | Палец фиксатора | 3518060-16412А |
| 20 | Штуцер | 3518060-16488 |
| 40 | Блок звездочек z=28 z=25 t=25,4 | 3518060-18390Б |
| 45 | Механизм реверса | 3518060-18560Б |
| 32 | Шток фиксатора | 3518060-18570Б |
| 44 | Устройство предохранительное | 3518060-18600Б |
| 17 | Звездочка | 3518060-18610А |
| 15 | Звездочка в сборе z-16 t-25,4 | 3518060-18620Б |
| 9 | Накладка фрикционная | 54-01069 |
| 16 | Втулка | 54-01071А |
| 8 | Диск нажимной | 54-44561 |
| 14 | Обойма | 54-44562 |
| 6 | Пружина | 54-62163А |
| 31 | Винт | В.М10-6gх25.22Н.019 |
| 24 | Болт | М10-6gх40 |
| 18 | Гайка | М10-6Н.6.019 |
| 3 | Болт | М10х80.88.35.019 |
| 41 | Болт | М12-6gх65.88.35.019 |
| 37 | Гайка | М12-6Н.6.019 |
| 12 | Болт | М12х1,25.6gх65.88.35.019 |
| 5 | Гайка | М12х1,25.6Н.019 |
| 34 | Болт | М12х65 |
| 30 | Опора подшипника | Н.027.01.060 |
| 43 | Корпус подшипника | Н.027.106 |
| 7 | Кожух | РСМ-10.27.02.020 |
| 29 | Храповик | РСМ-10.27.02.302 |
| 4 | Шайба | С10.01.019 |
| 26 | Кольцо ГОСТ 13943-86 | С110 |
| 27 | Кольцо ГОСТ 13942-86 | С60 |
| 13 | Кольцо | СП80-67-5 |



