
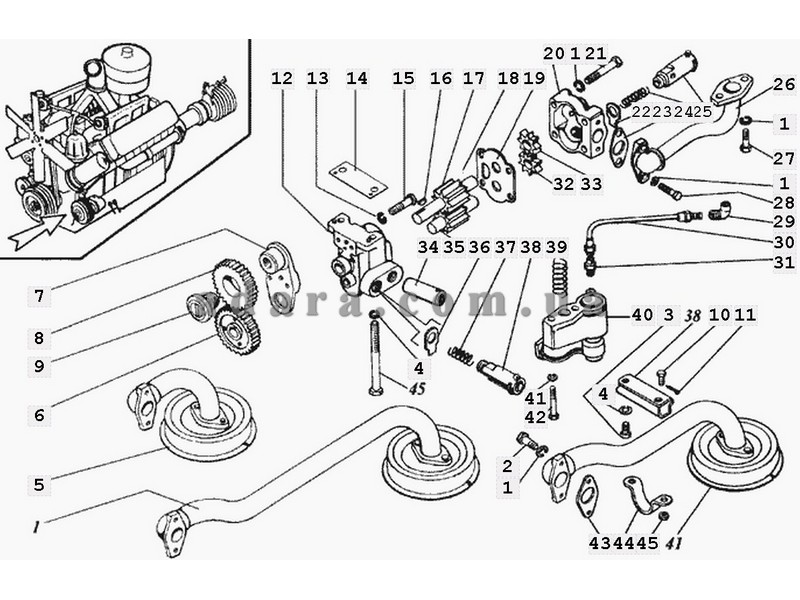
Номер позиции |
Наименование |
Каталожный номер |
| 21 | Болт | 200270-П2 |
| 18 | Шарик | 201-1015434 |
| 27 | Болт | 201457-П2 |
| 2 | Болт | 201458-П29 |
| 28 | Болт | 201458-П29 |
| 3 | Болт | 201495-П2 |
| 46 | Насос масляный | 236-1011014-033 |
| 12 | Корпус нагнетающей секции | 236-1011018-040 |
| 20 | Корпус радиаторной секции | 236-1011019-В |
| 35 | Шестерня ведомая нагнетающей секции | 236-1011030-020 |
| 17 | Шестерня ведущая нагнетающей секции | 236-1011040-020 |
| 38 | Клапан редукционный нагнетающей секции | 236-1011048-020 |
| 19 | Проставка | 236-1011049 |
| 40 | Клапан дифференциальный | 236-1011056-010 |
| 37 | Пружина редукционного клапана | 236-1011058-020 |
| 30 | Трубка подводящая дифференциального клапана | 236-1011098-023 |
| 33 | Шестерня ведущая радиаторной секции | 236-1011100 |
| 32 | Шестерня ведомая радиаторной секции | 236-1011114 |
| 8 | Шестерня промежуточная привода насоса | 236-1011202 |
| 9 | Ось промежуточной шестерни | 236-1011208-В |
| 7 | Фланец упорный | 236-1011217-В2 |
| 6 | Шестерня ведомая привода насоса | 236-1011230-10 |
| 43 | Прокладка | 236-1011296 |
| 5 | Кронштейн крепления всасывающей трубы | 236-1011320 |
| 44 | Скоба | 236-1011322 |
| 34 | Трубка отводящая нагнетающей секции | 236-1011352-В |
| 23 | Прокладка | 236-1011358-А |
| 25 | Клапан предохранительный | 236-1011363-022 |
| 24 | Пружина предохранительного клапана | 236-1011368-Б |
| 14 | Прокладка регулировочная | 236-1011380 |
| 26 | Трубка отводящая радиаторной секции | 236-1011420-В |
| 39 | Пружина клапана дифференциального | 240-1011057 |
| 45 | Гайка | 250957-П2 |
| 1 | Шайба | 252135-П2 |
| 4 | Шайба | 252136-П2 |
| 41 | Шайба | 252136-П2 |
| 13 | Шайба | 252137-П2 |
| 11 | Шплинт | 258013-П29 |
| 15 | Болт | 310156-П2 |
| 10 | Болт | 310248-П2 |
| 42 | Болт | 310254-П2 |
| 22 | Шайба | 312559-П2 |
| 36 | Шайба | 312571-П2 |
| 16 | Шпонка | 314005-П2 |
| 29 | Угольник | 314537-П |
| 31 | Штуцер | 314612-П29 |



