
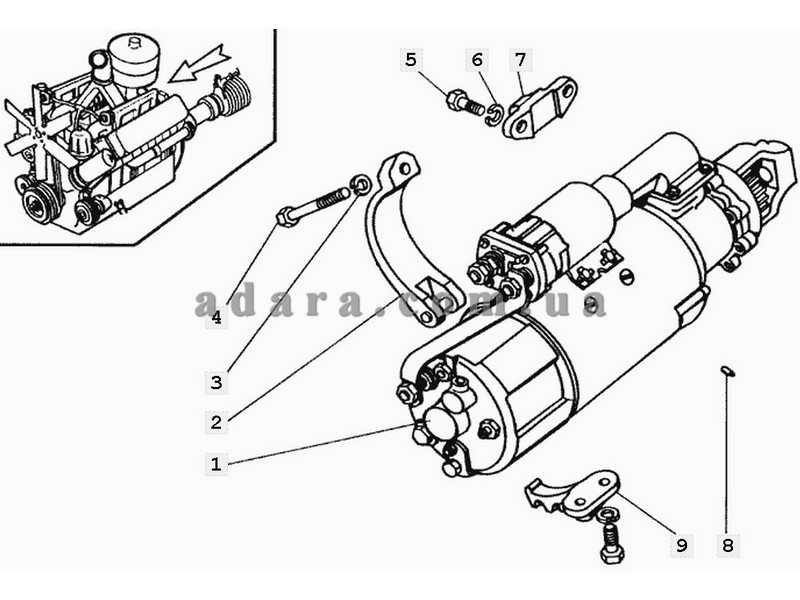
Номер позиции |
Наименование |
Каталожный номер |
| 4 | Болт | 200853-П29 |
| 5 | Болт | 201563-П29 |
| 7 | Кронштейн верхний | 236-3708702-Б |
| 9 | Кронштейн | 236-3708704-Б |
| 2 | Скоба крепления | 240-3708721 |
| 1 | Стартер | 25.3708-01 |
| 6 | Шайба | 252137-П2 |
| 3 | Шайба | 252138-П2 |
| 8 | Штифт | 258652-П29 |



