Диск сцепления Т-40 муфты ВОМ
-
420.00 грн.
Минимальный заказ - 300 грн. При заказе по телефону, для быстрого ответа, очень просим указывать информацию из поля «Каталожный номер»
Отзывов нет | Написать отзывКупить диск сцепления Т25-1601160-В2 ВОМ ведомый Т-40
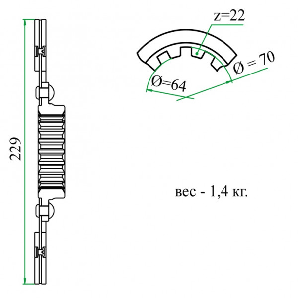
Диск сцепления муфты ВОМ Т25-1601160-В2 (жесткий) это конструкция, состоящая из ступицы с внутренним шлицевым отверстием, диска, 2-х фрикционных накладок (поз.40) и заклепок (поз.69). Конструкция жесткая, т. к. к ступице приклепывается диск, а к нему - накладки из безасбестового материала. Диск ведомый (поз.13) непрерывно придавливается к диску ведущему (поз.45) диском нажимным (поз.45) нажимными пружинами. Происходит передача мощности от двигателя на внешнее оборудование. Диск состоит из центральной металлической, шлицевой ступицы, с помощью которой он одевается на вал сцепления, и фрикционной части. Устанавливается в механизме вала отбора мощности и служит для включения или выключения этого механизма, изнашивается как и любая фрикционная деталь достаточно часто и подлежит замене. При давлении на педаль ВОМ диски расходятся - мощность не передается. Входит в состав корзины сцепления Т25-1601050 трактора Т-40. Для надежной и бесперебойной работы диск должен быть чистым и сухим. Накладки стираются достаточно быстро, и диск с накладками подлежит замене. Есть в наличие диски двух разных производителей: кооперативного и завода «Тара», цена на них отличается, уточняйте у менеджера.
Характеристика диска сцепления муфты ВОМ Т-40 |
|
| Каталожный номер | Т25-1601160-В2 |
| Применяемость | трактора Т-40 и его модификаций |
| Двигатель | Д-144 |
| Конструктивное отличие | Жесткий |
| Состояние | Новое |
| Другие характеристики | вала отбора мощности, фрикционный, безасбестовый, феродо, сухого трения, с двумя накладками |
| Вес, кг | 1,4 кг |
| Производитель | Кооператив, Украина ![]() |
| Рекомендуем покупать | с диском сцепления главной муфты Т25-1601130-В. |
.
- Устанавливается в количестве - 1 шт.
- Страна производства - Украина


Муфта сцепления главная с муфтой ВОМ Т25-1601010-Г1
2) - Болт регулировочный Т25-1601009-А1 4) - Муфта сцепления Т25-1601050-Б1
6) - Диск нажимной муфты ВОМ Т25-1601110-В 12) - Диск главной муфты Т25-1601130-В 13) - Диск Т25-1601160-В2
18) - Палец Д30-1005317-А1 28) - Диск нажимной главной муфты Т25-1601093-Б1 29) - Рычаг отжимной главной муфты Т25-1601094-В1 30) - Сухарь рычага Т25-1601095-А 31) - Ось отжимного рычага главной муфты Т25-1601096-Б1 32) - Пружина отжимного рычага Т25-1601097-Б3 33) - Болт регулировочный Т25-1601098-Г1 34) - Гайка Т25-1601105
35) - Диск нажимной муфты ВОМ Т25-1601111-А1 36) - Упор нажимного болта Т25-1601112-В1
37) - Прокладка пружины Т25-1601114 38) - Стакан пружины Т25-1601116-Б 39) - Накладка сцепления Т25-1601138-Б2 40) - Накладка Т25-1601165-В 45) - Диск ведущий муфты ВОМ Т25-1601222-Г 46) - Рычаг отжимной муфты ВОМ Т25-1601224-В 47) - Болт нажимной Т25-1601225-В1 62) - Пружина нажимная Т25-1601415-Б2 64) - Штифт Т30-3405047
67) - Гайка шестигранная ГПШМ-10Х1 69) - Заклепка 2.4Х8 74) - Болт М10-6gХ30.88.35.019 92) - Шайба 10 ОТ 65Г
94) - Шайба 14 ОТ 65Г 99) - Шплинт 2Х20.019 100) - Шплинт 3,2Х18.019
Отзывов нет







