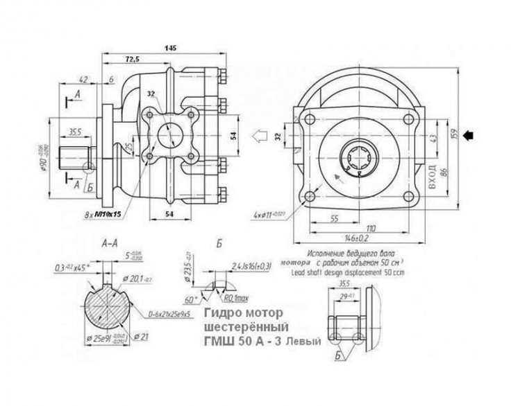
Гидромотор шестеренный ГМШ 50-3 ВЗТА (Винница)
-
5250.00 грн.
Минимальный заказ - 300 грн. При заказе по телефону, для быстрого ответа, очень просим указывать информацию из поля «Каталожный номер»
Отзывов нет | Написать отзывГидромотор шестеренный ГМШ 50-3 ВЗТА
На сайте нашего предприятия широко представлены гидронасосы и гидромоторы отечественных производителей, в данном случае это продукция Винницкого завода ВЗТА. Применяются данные узлы для преобразования энергии давления рабочей жидкости в гидросистеме в вращение выходного вала, а соответственно и рабочих органов.
|
Гидромотор шестеренный ГМШ 50-3 ВЗТА (Винница) |
|
| Применяемость | Предназначены для приводов активных рабочих органов в гидравлических системах тракторов, автомобилей и других машин. |
| Варианты исполнения | ГМШ 50-3 — правое вращение; ГМШ 50-3Л — левое вращение. |
| Рабочий объем, см3
|
49,1 |
|
Давление, МПа номинальное минимальное |
1,0 0,05 |
| Максимальное давление на входе, МПа | 21 |
|
Частота вращения, с-1 - номинальная - максимальная - минимальная |
25 50 8,3 |
| Номинальный перепад давлений, МПа | 16 |
| Номинальный расход, л/мин | 80 |
|
Крутящий момент, Н м - номинальный - страгивания |
108,8 65,3 |
|
КПД при номинальных параметрах - гидромеханический - общий |
0,87 0,85 |
| Номинальная мощность, кВт | 16,7 |
| Масса, кг | 8,0 |
РЕКОМЕНДАЦИИ К ЭКСПЛУАТАЦИИ
Обязательно придерживайтесь лимитированного времени, чтобы обеспечить длительную и эффективную эксплуатацию:
• Не более 3000 часов для строительной и промышленной техники.
• Не более 1000 часов для городской техники.
• Не более 4000 часов для сельскохозяйственной техники.
Отзывов нет






