МКШ Шумахер Дон-1500, John Deer и т.д.
-
19800.00 грн.
Минимальный заказ - 300 грн. При заказе по телефону, для быстрого ответа, очень просим указывать информацию из поля «Каталожный номер»
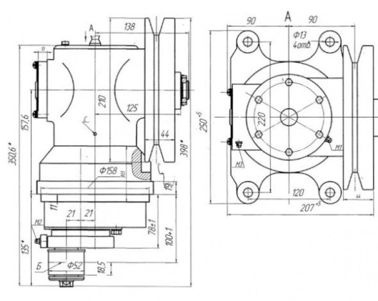
Отзывов нет | Написать отзывРаньше, при использовании на ДОН-1500, этот механиз назывался механизм качающей шайбы (МКШ), сейчас он называется - Механизм привода ножа вертикальный типа Шумахер (Shumaher), своего рода это тот же косогон, и предназначен для обеспечения возвратно поступательного движения косы, за счет эксцентричного вала.
Этот привод универсальный и применяется не только на донах, но и на:
Палессе, РСМ-081, ЖВН, жатки JOHN GREAVES (ЖНС), Flex, Fantini и прочих жатках. Каждый производитель назначает этому механизму свой каталожный номер и получается сильная неразбериха. Приведем перечень номеров, которыми обозначают один и тот же привод.
Шкив D-210 мм., профиль ремня - В.
Расстояния между креплениями 220х120 мм.
МПН 85.20ПБ.000.01.20А
КЗР-14
85MVvGKF
GE85V
DE19785
29.32.70
60540092
КЗР 1517000
081.27.00.090
ППН 01.000
AH156339
01-0172
14811.01
DE19409
МППН-2.00.000
25277
Отзывов нет








