
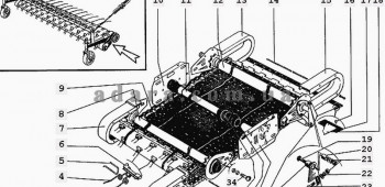
Каталог деталей и запасных частей Дон-1500Б
Номер позиции
Наименование
Каталожный номер
14
Шайба
10Т.65Г.019
18
Шайба
12Т.65Г.019
16
Подшипник
1680205К7С17
8
Фикс...
Номер позиции
Наименование
Каталожный номер
10
Масленка
1.2Ц6хр
19
Шайба
12.01.019
15
Шайба
14.01.019
8
Подшипник или ...
Номер позиции
Наименование
Каталожный номер
9
Масленка
1.2Ц6хр
32
Шайба
12Т.65Г.019
6
Шпонка
12х8х63
3
Шайба
14Т.6...
Номер позиции
Наименование
Каталожный номер
7
Шайба
10Т.65Г.019
18
Шпонка
10х8х56
15
Шайба
12Т.65Г.019
4
Подшипник или...
Захватом 3,4 м
Номер позиции
Наименование
Каталожный номер
17
Шайба
10Т.65Г.019
31
Шплинт
4х28.019
19
Заклепка
5х14.01.10КП019
...
Захватом 2,75 м
Номер позиции
Наименование
Каталожный номер
22
Шайба
10Т.65Г.019
27
Шплинт
4х28.019
16
Заклепка
5х14.01.10КП019
...
Номер позиции
Наименование
Каталожный номер
10
Звено соединительное С-ТРД-38-4400-01
08.128.000
7
Цепь ТРД-38-4-4400-10-2
08.152.000-01
4
...
Номер позиции
Наименование
Каталожный номер
14
Подшипник или 1580207К7Т2С17
1580207К10Т2С27
14
Подшипник или 1580207К10Т2С27
1580207К7Т2С17
11...
Номер позиции
Наименование
Каталожный номер
14
Подшипник или 1580207К7Т2С17
1580207К10Т2С27
14
Подшипник или 1580207К10Т2С27
1580207К7Т2С17
11...
Номер позиции
Наименование
Каталожный номер
18
Шайба
10Т.65Г.019
5
Подшипник или 1580207К7Т2С17
1580207К10С27
5
Подшипник или 1580207К10Т2...












