
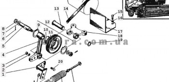
Каталог деталей и запасных частей Дон-1500Б
Номер позиции
Наименование
Каталожный номер
18
Подшипник или 180204С17
180204К10С27
18
Подшипник или 180204К10С27
180204С17
20
Шайба
2...
Номер позиции
Наименование
Каталожный номер
4
Шайба
14Т.65Г.019
9
Подшипник или 180712К10С27
180712АС27
9
Подшипник или 180712АС27
180...
Номер позиции
Наименование
Каталожный номер
13
Шайба
6Т.65Г.019
12
Гайка
М6-6Н.6.019
15
Болт
М6-8gх16.48.019
11
Уплотн...
Номер позиции
Наименование
Каталожный номер
16
Шайба эксцентричная
41119А
13
Гайка специальная
54-2-157
14
Шайба
6Т.65Г.019
...
Номер позиции
Наименование
Каталожный номер
17
Шайба
12Т.65Г.019
27
Прокладка
54-01162
26
Скоба
54-51452-03
28
Болт
...
Номер позиции
Наименование
Каталожный номер
16
Шайба
10Т.65Т.019
10
Подшипник или 180204С17
180204К10С27
14
Ремень
2 кл-1-11х10-1120
...
Номер позиции
Наименование
Каталожный номер
10
Шайба
10Т.65Г.019
37
Боковой повторитель указателей поворота
14,3726
24
Шайба эксцентричная...
Номер позиции
Наименование
Каталожный номер
1
Радиатор масляный
100У.08.003
25
Шайба
10Т.65Г.019
4
Ремень 4/НВКВ-2650 фирмы "Оptibеlt"
...
Номер позиции
Наименование
Каталожный номер
18
Шайба
12Т.65Г.019
9
Подшипник или 180206АС17
180206К10С27
13
Масленка
2,3.90.Ц6хр
...
Номер позиции
Наименование
Каталожный номер
26
Шайба
10Т.65Г.019
6
Шайба
10х1,5.04.05
10
Фильтр-патрон
21-12С12А
22
Ко...












